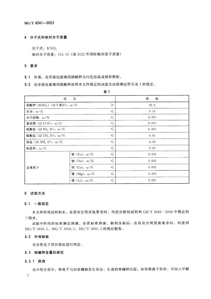
HG/T 6241-2023 化学强化玻璃用硝酸钾

行业标准 推荐性 现行

标准状态

  1. 发布于:
  2. 实施于:
  3. 废止

标准详情

  • 中国标准分类号:G12
    国际标准分类号:71.060.50
  • 提出单位:化学工业出版社
    主管部门:工业和信息化部

起草单位

江西金利达钾业有限责任公司、文水县振兴化肥有限公司、温州新联大科技材料有限公司、湖南美奥钾业有限责任公司、厦门市蓝水灵环保科技有限公司、山西金兰化工股份有限公司、中国科学院青海盐湖研究所、金钾科技有限公司、浙江绿野净水剂科技股份有限公司、中海油天津化工研究设计院有限公司

起草人

赵晨、王宝、余一茅、李庆锋、黄丽英、蔺向光、魏明、梁廷刚、俞明华、陆思伟、李武平、安珍、季世发、熊佳义、闫建东、李翔、赵燕、王彦、盛莉莉、赵家春、黄凌峰、熊云生

标准预览(共 16 页)

* 特别声明:资源收集自网络或用户上传,版权归原作者所有,如侵犯您的权益,请联系我们处理。

  • 标准质量:
  • 文档详情:1.87MB 共 16 页 PDF

标准搜索