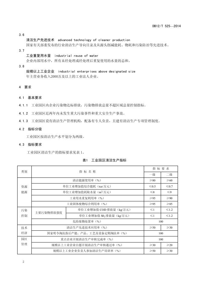
DB12/T 525-2014 工业园区清洁生产评价规范

地方标准 天津市 推荐性 已废止

标准状态

  1. 发布于:
  2. 实施于:
  3. 废止于:

标准详情

  • 中国标准分类号:Z04
    国际标准分类号:13.020.01
  • 提出单位:
    主管部门:天津市质量技术监督局

起草单位

天津市节能协会清洁生产专业委员会、天津市津京清洁生产技术服务中心

起草人

籍金良、李雪、邹继泉、吴克明、董伟、牛秋银、龙强、张雨、窦永慧

标准预览(共 8 页)

* 特别声明:资源收集自网络或用户上传,版权归原作者所有,如侵犯您的权益,请联系我们处理。

  • 标准质量:
  • 文档详情:275.25KB 共 8 页 PDF

标准搜索