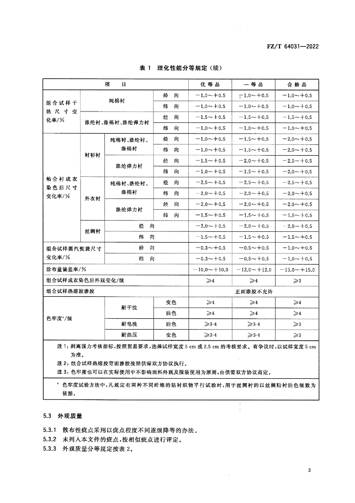
FZ/T 64031-2022 成衣染色用机织粘合衬

行业标准 推荐性 现行

标准状态

  1. 发布于:
  2. 实施于:
  3. 废止

标准详情

  • 中国标准分类号:W13
    国际标准分类号:59.080.30
  • 代替标准:FZ/T 64031—2012
  • 提出单位:中国纺织工业联合会
    主管部门:工业和信息化部

起草单位

长兴三伟热熔胶有限公司、长兴科恩德服装材料有限公司、南通海汇科技发展有限公司、长兴县志纬服装辅料有限公司、江苏欣捷纺织科技有限责任公司、上海市纺织工业技术监督所、中国产业用纺织品行业协会

起草人

殷伟乔、朱雪峰、宋庆锋、曹平、章华、陈松美、左舒文、李桂梅、虞康伟

标准预览(共 8 页)

* 特别声明:资源收集自网络或用户上传,版权归原作者所有,如侵犯您的权益,请联系我们处理。

  • 标准质量:
  • 文档详情:5.32MB 共 8 页 PDF

标准搜索