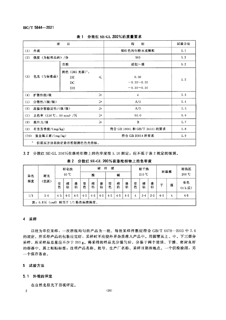
HG/T 5844-2021 分散红SE-GL 200%

行业标准 推荐性 现行

标准状态

  1. 发布于:
  2. 实施于:
  3. 废止

标准详情

  • 中国标准分类号:G57
    国际标准分类号:71.100.01;87.060.10
  • 提出单位:
    主管部门:工业和信息化部

起草单位

杭州吉华江东化工有限公司、沈阳化工研究院有限公司、沈阳沈化院测试技术有限公司等

起草人

陈美芬、马君庆、薛岩

标准预览(共 7 页)

* 特别声明:资源收集自网络或用户上传,版权归原作者所有,如侵犯您的权益,请联系我们处理。

  • 标准质量:
  • 文档详情:1.17MB 共 7 页 PDF

标准搜索