NB/T 10947-2022 煤矿用带式输送机 逆止托辊 技术条件

行业标准 推荐性 现行

标准状态

  1. 发布于:
  2. 实施于:
  3. 废止

标准详情

  • 中国标准分类号:D93
    国际标准分类号:53.040.20
  • 提出单位:中国煤炭工业协会
    主管部门:国家能源局

起草单位

续利文、冯金水、奚丽峰、席庆祥、杨德财、何雪、郭威、孟文俊

起草人

山西煤矿机械制造股份有限公司、中煤科工集团上海有限公司、太原科技大学

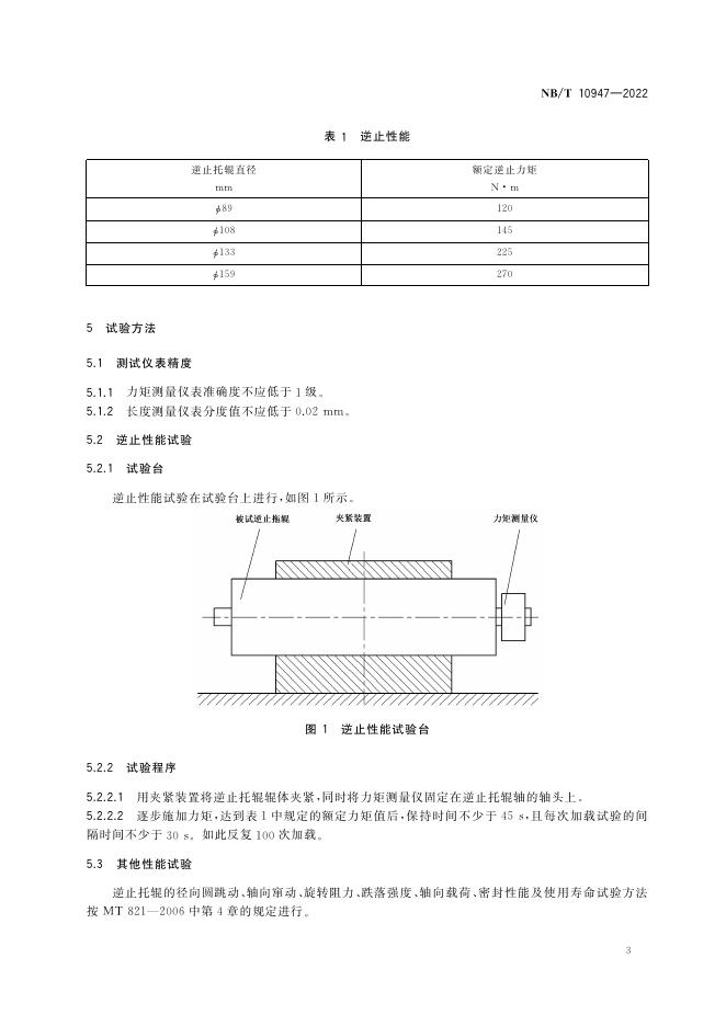
标准预览(共 7 页)

* 特别声明:资源收集自网络或用户上传,版权归原作者所有,如侵犯您的权益,请联系我们处理。

  • 标准质量:
  • 文档详情:541.72KB 共 7 页 PDF

标准搜索