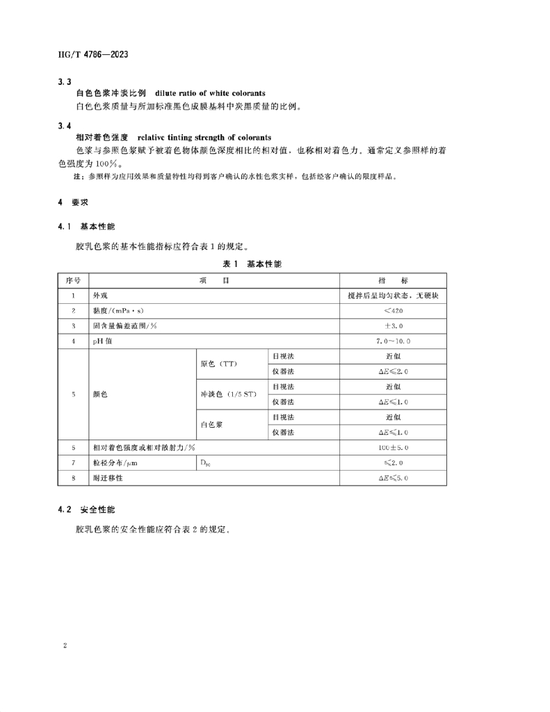
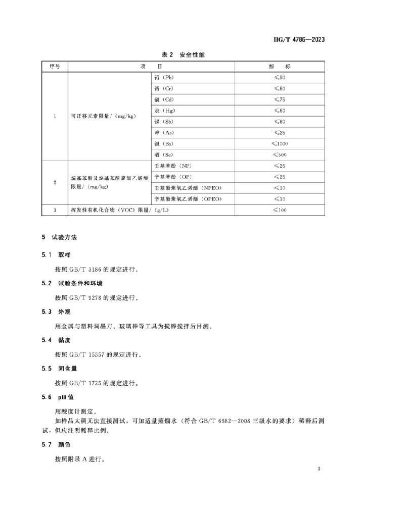
HG/T 4786-2023 胶乳色浆

行业标准 推荐性 现行

标准状态

  1. 发布于:
  2. 实施于:
  3. 废止

标准详情

  • 中国标准分类号:G54
    国际标准分类号:87.060.10
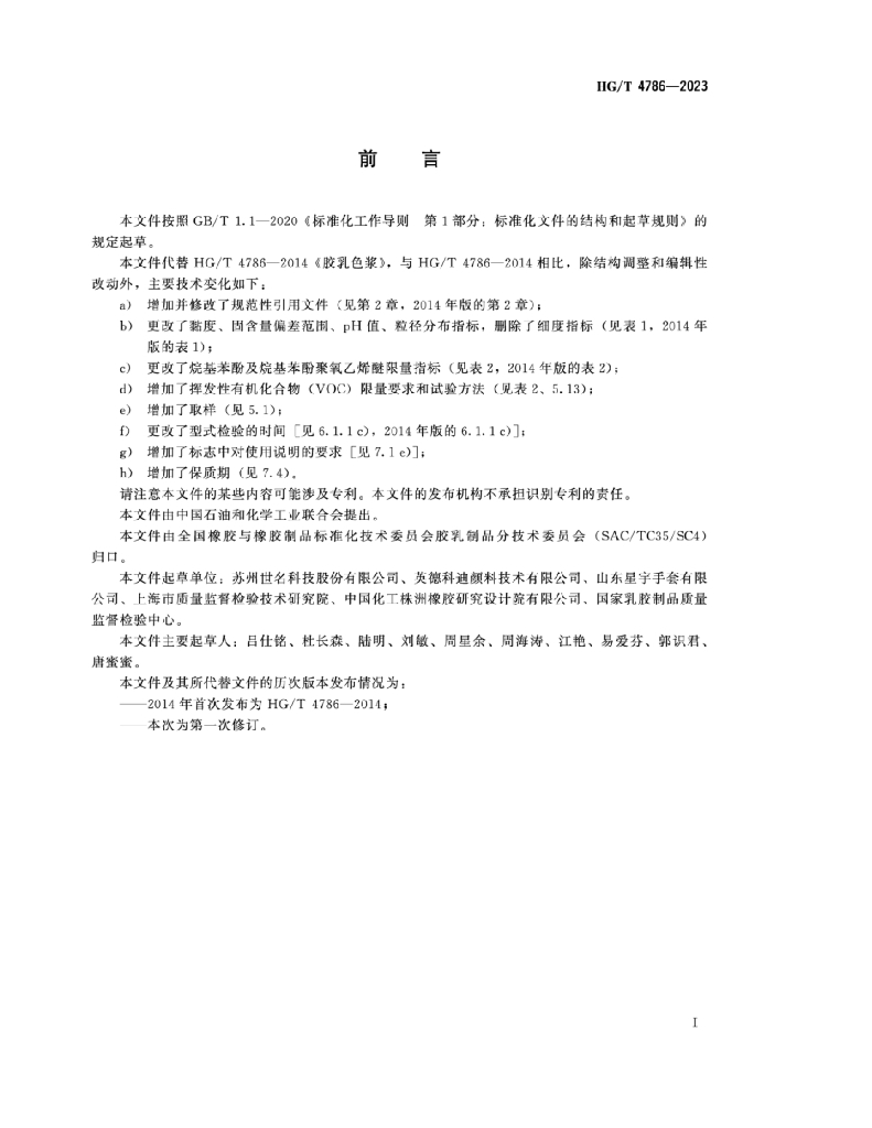
  • 代替标准:HG/T 4786-2014
  • 提出单位:中国石油和化学工业联合会
    主管部门:全国橡胶与橡胶制品标准化技术委员会胶乳制品分技术委员会

起草单位

苏州世名科技股份有限公司、英德科迪颜料技术有限公司、山东星字手套有限公司、上海市质量监督检验技术研究院、中国化工株洲橡胶研究设计院有限公司、国家乳胶制品质量监督检验中心

起草人

吕仕铭、杜长森、陆明、刘敏、周星余、周海涛、江艳、易爱芬、郭识君、唐蜜蜜

标准预览(共 14 页)

* 特别声明:资源收集自网络或用户上传,版权归原作者所有,如侵犯您的权益,请联系我们处理。

  • 标准质量:
  • 文档详情:2.24MB 共 14 页 PDF

标准搜索