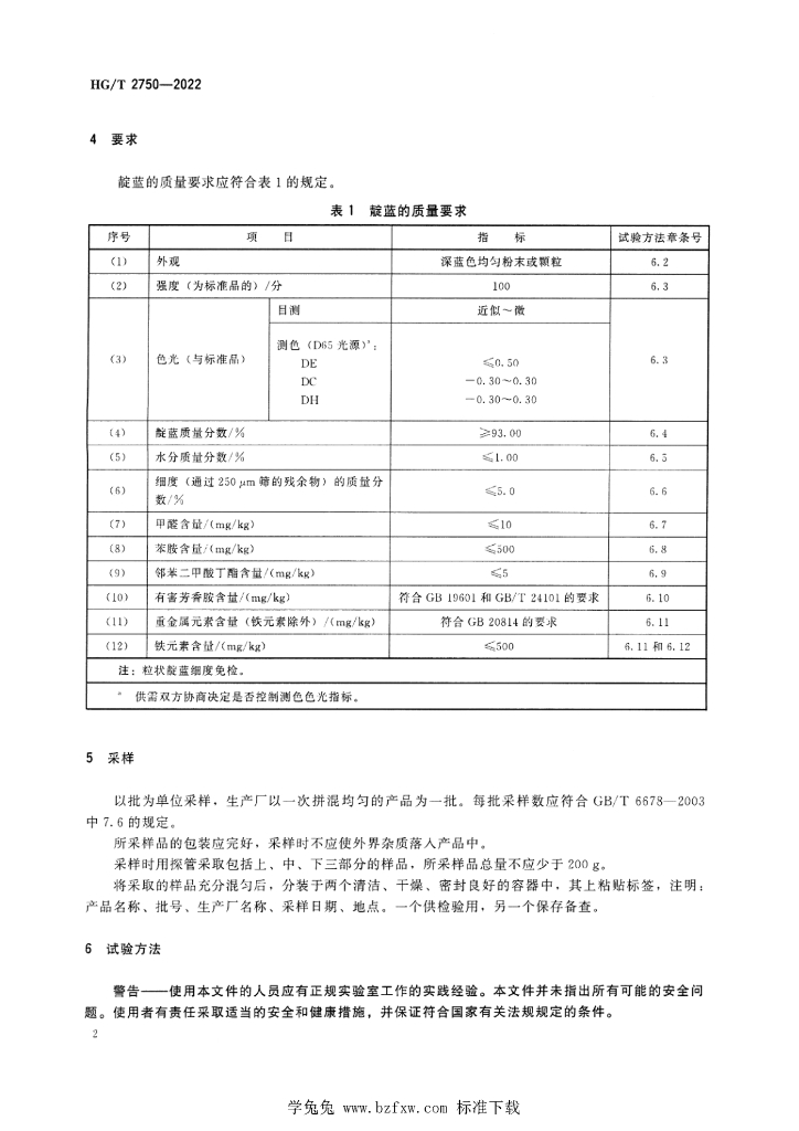
HG/T 2750-2022 靛蓝

行业标准 推荐性 现行

标准状态

  1. 发布于:
  2. 实施于:
  3. 废止

标准详情

  • 中国标准分类号:G57
    国际标准分类号:71.100.01;87.060.10
  • 代替标准:HG/T 2750-2012
  • 提出单位:中国石油和化学工业联合会
    主管部门:工业和信息化部

起草单位

江苏泰丰化工有限公司、浙江长征化工有限公司、沈阳化工研究院有限公司、沈阳沈化院测试技术有限公司、国家染料质量监督检验中心

起草人

吕双、栾敏红、高国新、赵志敏、毛永生、金永辉、蒋冬兰、高岗祥、杨杰民、张士平、秦慧清、肖云

标准预览(共 9 页)

* 特别声明:资源收集自网络或用户上传,版权归原作者所有,如侵犯您的权益,请联系我们处理。

  • 标准质量:
  • 文档详情:2.42MB 共 9 页 PDF

标准搜索