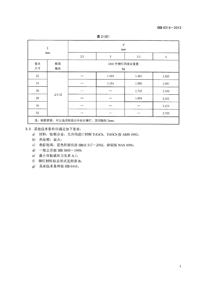
HB 8314-2013 钛铌合金100°沉头铆钉

行业标准 强制性 现行

标准状态

  1. 发布于:
  2. 实施于:
  3. 废止

标准详情

  • 中国标准分类号:V20
    国际标准分类号:49.030.60
  • 提出单位:中国航空综合技术研究所
    主管部门:工业和信息化部

起草单位

中国航空综合技术研究所、中国航空工业成都飞机设计研究所、中国航空工业沈阳飞机设计研究所、沈阳飞机工业(集团)有限公司、西安飞机工业(集团)有限责任公司

起草人

徐良、蒲国新、张广来、张宇鹏、马世灵

标准预览(共 7 页)

* 特别声明:资源收集自网络或用户上传,版权归原作者所有,如侵犯您的权益,请联系我们处理。

  • 标准质量:
  • 文档详情:660.85KB 共 7 页 PDF

标准搜索