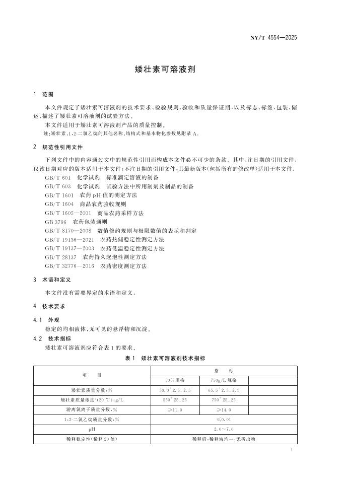
NY/T 4554-2025 矮壮素可溶液剂

行业标准 推荐性 现行

标准状态

  1. 发布于:
  2. 实施于:
  3. 废止

标准详情

  • 中国标准分类号:G25
    国际标准分类号:65.100
  • 代替标准:HG/T 3283-2002
  • 提出单位:
    主管部门:农业农村部

起草单位

绍兴东湖高科股份有限公司、沈阳沈化院测试技术有限公司、黄骅市鸿承企业有限公司、鹤壁全丰生物科技有限公司。

起草人

张丹、季小英、刘坤、刘越。

标准预览(共 12 页)

* 特别声明:资源收集自网络或用户上传,版权归原作者所有,如侵犯您的权益,请联系我们处理。

  • 标准质量:
  • 文档详情:1.11MB 共 12 页 PDF

标准搜索