电子标准网
首页
国家标准
行业标准
地方标准
团体标准
设计图集
协会标准
企业标准
国际标准
联盟标准
其他标准
登录 / 注册
昵称:
(ID:)
获得会员特权
我的收藏
我的下载
[ 退出登录 ]
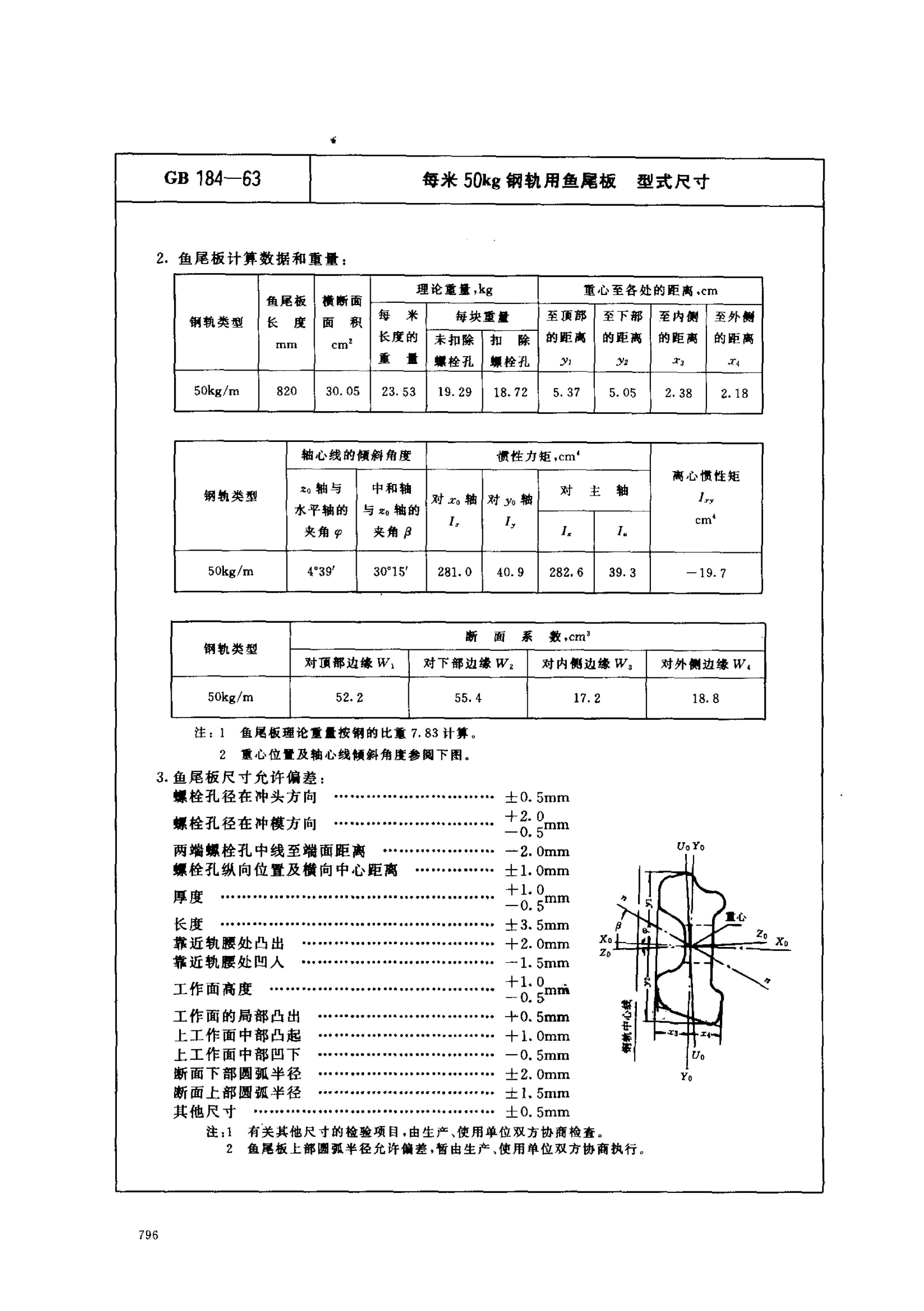
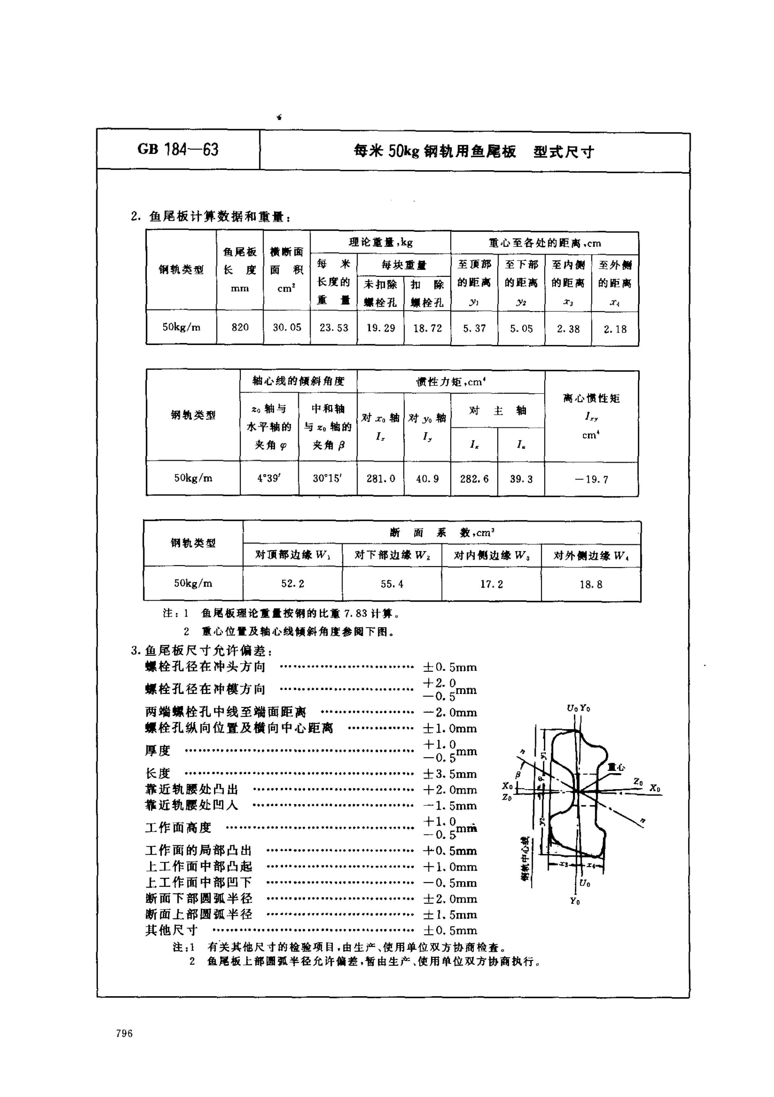
GB/T 184-1963 每米50公斤钢轨用鱼尾板式尺寸
国家标准
推荐性
现行
收藏
报错
标准状态
发布于:
1963-09-26
实施于:
1964-01-01
废止
标准详情
中国标准分类号:
H52
国际标准分类号:
45.080
提出单位:
主管部门:
全国钢标准化技术委员会
起草单位
起草人
* 特别声明:资源收集自网络或用户上传,版权归原作者所有,如侵犯您的权益,请联系我们处理。
暂不提供下载
分享到
标准搜索
搜索帮助
搜索
相关推荐
1
GB/T 42871-2023 无损检测 声发射检测 混凝土声发射信号的测试方法
2
GB/T 12155-1989 锅炉用水和冷却水分析方法 钠的测定 动态法
3
GB/T 40620-2021 核动力厂火灾危害性分析指南
4
GB/T 30505-2014 船用焚烧炉烟气排放测量方法
5
GB/T 30594-2014 双层玻璃幕墙热性能检测 示踪气体法
6
GB/T 17640-2008 土工合成材料 长丝机织土工布
7
GB/T 26015-2010 覆合用铜带
8
GB/T 5639.1-1985 扩口式三通管接头
9
GB/T 15663.1-2008 煤矿科技术语 第1部分:煤炭地质与勘查
10
JJF(赣)040-2024 软化击穿试验仪校准规范
11
GB/T 26185-2010 快热式热水器
12
GB/T 40605-2021 高压直流工程数模混合仿真建模及试验导则
13
GB/T 12343.1-2008 国家基本比例尺地图编绘规范 第1部分: 1:25000 1:50000 1:100000 地形图编绘规范
14
GB/T 22081-2008 信息技术 安全技术 信息安全管理实用规则
15
GB/Z 40986-2021 上肢假肢装配通用技术条件
电子标准网提示:
你剩余金币:
0
, 下载文档需要支付金币:
0
请通过以下途径获取金币或者充值VIP,完成下载:
更多充值
金币充值下载
VIP免费下载
正在加载二维码...
微信扫码支付
50元, 50金币,
100元,150金币,赠送 50个金币
300元,600金币,赠送300个金币
500元,1200金币,赠送700个金币
800元,2000金币,赠送1200个金币
正在加载二维码...
微信扫码支付
50元,高级月度VIP,免金币下载10篇/天
118元,高级季度VIP,免金币下载10篇/天
168元,高级半年VIP,免金币下载10篇/天
98元,钻石月度VIP,免金币下载30篇/天
238元,钻石季度VIP,免金币下载30篇/天
基本
文件
流程
错误
SQL
调试
请求信息 : 2025-10-29 17:27:40 HTTP/1.1 GET : http://www.ebiaozhun.com/std/862f38bfd0a24ad9b3c6cb8fc1f3ba0c.html
运行时间 : 0.065131s [ 吞吐率:15.35req/s ] 内存消耗:1,570.59kb 文件加载:176
查询信息 : 0 queries
缓存信息 : 0 reads,0 writes
会话信息 : SESSION_ID=2b2c6af63725f62ce7d92b2f1413d83f
/data/wwwroot/neoware/public/index.php ( 1.05 KB )
/data/wwwroot/neoware/vendor/autoload.php ( 0.75 KB )
/data/wwwroot/neoware/vendor/composer/autoload_real.php ( 1.63 KB )
/data/wwwroot/neoware/vendor/composer/platform_check.php ( 0.90 KB )
/data/wwwroot/neoware/vendor/composer/ClassLoader.php ( 15.99 KB )
/data/wwwroot/neoware/vendor/composer/autoload_static.php ( 25.05 KB )
/data/wwwroot/neoware/vendor/ralouphie/getallheaders/src/getallheaders.php ( 1.60 KB )
/data/wwwroot/neoware/vendor/symfony/polyfill-intl-normalizer/bootstrap.php ( 0.71 KB )
/data/wwwroot/neoware/vendor/symfony/polyfill-intl-normalizer/bootstrap80.php ( 0.70 KB )
/data/wwwroot/neoware/vendor/guzzlehttp/psr7/src/functions_include.php ( 0.15 KB )
/data/wwwroot/neoware/vendor/guzzlehttp/psr7/src/functions.php ( 13.09 KB )
/data/wwwroot/neoware/vendor/guzzlehttp/promises/src/functions_include.php ( 0.16 KB )
/data/wwwroot/neoware/vendor/guzzlehttp/promises/src/functions.php ( 9.89 KB )
/data/wwwroot/neoware/vendor/symfony/polyfill-intl-idn/bootstrap.php ( 4.52 KB )
/data/wwwroot/neoware/vendor/guzzlehttp/guzzle/src/functions_include.php ( 0.16 KB )
/data/wwwroot/neoware/vendor/guzzlehttp/guzzle/src/functions.php ( 9.70 KB )
/data/wwwroot/neoware/vendor/adbario/php-dot-notation/src/helpers.php ( 0.57 KB )
/data/wwwroot/neoware/vendor/topthink/think-helper/src/helper.php ( 8.34 KB )
/data/wwwroot/neoware/vendor/symfony/polyfill-mbstring/bootstrap.php ( 8.26 KB )
/data/wwwroot/neoware/vendor/symfony/polyfill-mbstring/bootstrap80.php ( 9.77 KB )
/data/wwwroot/neoware/vendor/symfony/polyfill-ctype/bootstrap.php ( 1.56 KB )
/data/wwwroot/neoware/vendor/symfony/polyfill-ctype/bootstrap80.php ( 1.61 KB )
/data/wwwroot/neoware/vendor/topthink/think-orm/stubs/load_stubs.php ( 0.16 KB )
/data/wwwroot/neoware/vendor/topthink/framework/src/think/Exception.php ( 1.69 KB )
/data/wwwroot/neoware/vendor/topthink/think-container/src/Facade.php ( 2.71 KB )
/data/wwwroot/neoware/vendor/topthink/think-validate/src/helper.php ( 2.19 KB )
/data/wwwroot/neoware/vendor/symfony/polyfill-php80/bootstrap.php ( 1.50 KB )
/data/wwwroot/neoware/vendor/symfony/deprecation-contracts/function.php ( 0.99 KB )
/data/wwwroot/neoware/vendor/symfony/polyfill-intl-grapheme/bootstrap.php ( 2.22 KB )
/data/wwwroot/neoware/vendor/ezyang/htmlpurifier/library/HTMLPurifier.composer.php ( 0.10 KB )
/data/wwwroot/neoware/vendor/symfony/string/Resources/functions.php ( 0.84 KB )
/data/wwwroot/neoware/vendor/symfony/polyfill-php73/bootstrap.php ( 0.99 KB )
/data/wwwroot/neoware/vendor/thinkcmf/cmf/src/common.php ( 69.14 KB )
/data/wwwroot/neoware/vendor/khanamiryan/qrcode-detector-decoder/lib/Common/customFunctions.php ( 1.99 KB )
/data/wwwroot/neoware/vendor/mtdowling/jmespath.php/src/JmesPath.php ( 0.36 KB )
/data/wwwroot/neoware/vendor/symfony/var-dumper/Resources/functions/dump.php ( 0.99 KB )
/data/wwwroot/neoware/vendor/alibabacloud/client/src/Functions.php ( 5.33 KB )
/data/wwwroot/neoware/vendor/thinkcmf/cmf/think/App.php ( 17.72 KB )
/data/wwwroot/neoware/vendor/topthink/think-container/src/Container.php ( 15.62 KB )
/data/wwwroot/neoware/vendor/psr/container/src/ContainerInterface.php ( 1.02 KB )
/data/wwwroot/neoware/vendor/thinkcmf/cmf-app/src/provider.php ( 0.24 KB )
/data/wwwroot/neoware/vendor/thinkcmf/cmf/think/Http.php ( 7.16 KB )
/data/wwwroot/neoware/vendor/topthink/think-helper/src/helper/Str.php ( 7.29 KB )
/data/wwwroot/neoware/vendor/topthink/framework/src/think/Env.php ( 4.68 KB )
/data/wwwroot/neoware/app/common.php ( 41.86 KB )
/data/wwwroot/neoware/vendor/topthink/framework/src/helper.php ( 18.78 KB )
/data/wwwroot/neoware/vendor/topthink/framework/src/think/Config.php ( 5.54 KB )
/data/wwwroot/neoware/vendor/thinkcmf/cmf/src/config/app.php ( 1.35 KB )
/data/wwwroot/neoware/vendor/topthink/framework/src/think/facade/Env.php ( 1.67 KB )
/data/wwwroot/neoware/vendor/thinkcmf/cmf/src/config/cache.php ( 0.80 KB )
/data/wwwroot/neoware/vendor/thinkcmf/cmf/src/config/console.php ( 1.10 KB )
/data/wwwroot/neoware/vendor/thinkcmf/cmf/src/config/log.php ( 1.37 KB )
/data/wwwroot/neoware/vendor/thinkcmf/cmf/src/config/route.php ( 1.54 KB )
/data/wwwroot/neoware/vendor/thinkcmf/cmf/src/config/template.php ( 0.64 KB )
/data/wwwroot/neoware/vendor/thinkcmf/cmf/src/config/view.php ( 1.06 KB )
/data/wwwroot/neoware/data/config/alipay.php ( 2.43 KB )
/data/wwwroot/neoware/data/config/database.php ( 2.50 KB )
/data/wwwroot/neoware/data/config/media.php ( 2.20 KB )
/data/wwwroot/neoware/data/config/template.php ( 0.07 KB )
/data/wwwroot/neoware/data/config/wechat.php ( 1.20 KB )
/data/wwwroot/neoware/data/config/wxpay.php ( 1.02 KB )
/data/wwwroot/neoware/vendor/thinkcmf/cmf-app/src/event.php ( 0.55 KB )
/data/wwwroot/neoware/vendor/topthink/framework/src/think/Event.php ( 7.67 KB )
/data/wwwroot/neoware/vendor/topthink/framework/src/think/Lang.php ( 7.35 KB )
/data/wwwroot/neoware/vendor/topthink/framework/src/lang/zh-cn.php ( 13.70 KB )
/data/wwwroot/neoware/vendor/thinkcmf/cmf/src/listener/InitHookListener.php ( 2.53 KB )
/data/wwwroot/neoware/vendor/topthink/framework/src/think/facade/Route.php ( 4.68 KB )
/data/wwwroot/neoware/vendor/thinkcmf/cmf/think/Route.php ( 23.46 KB )
/data/wwwroot/neoware/vendor/topthink/framework/src/think/route/RuleName.php ( 5.34 KB )
/data/wwwroot/neoware/vendor/topthink/framework/src/think/route/Domain.php ( 1.25 KB )
/data/wwwroot/neoware/vendor/topthink/framework/src/think/route/RuleGroup.php ( 20.45 KB )
/data/wwwroot/neoware/vendor/thinkcmf/cmf/think/route/Rule.php ( 23.63 KB )
/data/wwwroot/neoware/vendor/topthink/framework/src/think/route/RuleItem.php ( 9.78 KB )
/data/wwwroot/neoware/vendor/topthink/framework/src/think/facade/Cache.php ( 2.06 KB )
/data/wwwroot/neoware/vendor/topthink/framework/src/think/Cache.php ( 4.92 KB )
/data/wwwroot/neoware/vendor/topthink/framework/src/think/Manager.php ( 3.92 KB )
/data/wwwroot/neoware/vendor/psr/simple-cache/src/CacheInterface.php ( 4.71 KB )
/data/wwwroot/neoware/vendor/topthink/think-helper/src/helper/Arr.php ( 16.08 KB )
/data/wwwroot/neoware/vendor/topthink/framework/src/think/cache/driver/File.php ( 7.84 KB )
/data/wwwroot/neoware/vendor/topthink/framework/src/think/cache/Driver.php ( 9.03 KB )
/data/wwwroot/neoware/vendor/topthink/framework/src/think/contract/CacheHandlerInterface.php ( 1.99 KB )
/data/wwwroot/neoware/vendor/topthink/framework/src/think/facade/Event.php ( 1.79 KB )
/data/wwwroot/neoware/vendor/topthink/framework/src/think/initializer/Error.php ( 3.31 KB )
/data/wwwroot/neoware/vendor/topthink/framework/src/think/initializer/RegisterService.php ( 1.33 KB )
/data/wwwroot/neoware/vendor/services.php ( 0.22 KB )
/data/wwwroot/neoware/vendor/topthink/framework/src/think/service/PaginatorService.php ( 1.52 KB )
/data/wwwroot/neoware/vendor/topthink/framework/src/think/Service.php ( 1.64 KB )
/data/wwwroot/neoware/vendor/topthink/framework/src/think/service/ValidateService.php ( 0.99 KB )
/data/wwwroot/neoware/vendor/topthink/framework/src/think/service/ModelService.php ( 1.75 KB )
/data/wwwroot/neoware/vendor/thinkcmf/cmf-appstore/src/AppStoreService.php ( 1.09 KB )
/data/wwwroot/neoware/vendor/topthink/think-trace/src/Service.php ( 0.77 KB )
/data/wwwroot/neoware/vendor/topthink/framework/src/think/Middleware.php ( 6.72 KB )
/data/wwwroot/neoware/vendor/xia/migration/src/Service.php ( 1.97 KB )
/data/wwwroot/neoware/vendor/topthink/framework/src/think/initializer/BootService.php ( 0.77 KB )
/data/wwwroot/neoware/vendor/topthink/think-orm/src/Paginator.php ( 11.71 KB )
/data/wwwroot/neoware/vendor/topthink/think-validate/src/Validate.php ( 59.36 KB )
/data/wwwroot/neoware/vendor/topthink/think-orm/src/Model.php ( 26.86 KB )
/data/wwwroot/neoware/vendor/topthink/think-helper/src/contract/Arrayable.php ( 0.09 KB )
/data/wwwroot/neoware/vendor/topthink/think-helper/src/contract/Jsonable.php ( 0.13 KB )
/data/wwwroot/neoware/vendor/topthink/think-orm/src/model/concern/Attribute.php ( 19.19 KB )
/data/wwwroot/neoware/vendor/topthink/think-orm/src/model/concern/RelationShip.php ( 26.44 KB )
/data/wwwroot/neoware/vendor/topthink/think-orm/src/model/concern/ModelEvent.php ( 2.58 KB )
/data/wwwroot/neoware/vendor/topthink/think-orm/src/model/concern/TimeStamp.php ( 5.69 KB )
/data/wwwroot/neoware/vendor/topthink/think-orm/src/model/concern/AutoWriteId.php ( 1.44 KB )
/data/wwwroot/neoware/vendor/topthink/think-orm/src/model/concern/Conversion.php ( 10.85 KB )
/data/wwwroot/neoware/vendor/topthink/framework/src/think/Db.php ( 2.88 KB )
/data/wwwroot/neoware/vendor/topthink/think-orm/src/DbManager.php ( 8.33 KB )
/data/wwwroot/neoware/vendor/topthink/framework/src/think/Log.php ( 6.28 KB )
/data/wwwroot/neoware/vendor/psr/log/src/LoggerInterface.php ( 2.68 KB )
/data/wwwroot/neoware/vendor/psr/log/src/LoggerTrait.php ( 2.69 KB )
/data/wwwroot/neoware/vendor/thinkcmf/cmf/think/Console.php ( 22.69 KB )
/data/wwwroot/neoware/vendor/topthink/framework/src/think/Request.php ( 55.74 KB )
/data/wwwroot/neoware/vendor/thinkcmf/cmf-app/src/middleware.php ( 0.25 KB )
/data/wwwroot/neoware/vendor/topthink/framework/src/think/Pipeline.php ( 2.61 KB )
/data/wwwroot/neoware/vendor/topthink/think-trace/src/TraceDebug.php ( 2.94 KB )
/data/wwwroot/neoware/vendor/thinkcmf/cmf/src/middleware/LangDetect.php ( 5.77 KB )
/data/wwwroot/neoware/vendor/topthink/framework/src/think/middleware/SessionInit.php ( 1.94 KB )
/data/wwwroot/neoware/vendor/topthink/framework/src/think/Session.php ( 1.80 KB )
/data/wwwroot/neoware/vendor/topthink/framework/src/think/session/driver/File.php ( 6.27 KB )
/data/wwwroot/neoware/vendor/topthink/framework/src/think/contract/SessionHandlerInterface.php ( 0.87 KB )
/data/wwwroot/neoware/vendor/topthink/framework/src/think/session/Store.php ( 7.12 KB )
/data/wwwroot/neoware/data/route/route.php ( 30.93 KB )
/data/wwwroot/neoware/vendor/thinkcmf/cmf/think/route/dispatch/Controller.php ( 7.52 KB )
/data/wwwroot/neoware/vendor/topthink/framework/src/think/route/Dispatch.php ( 10.54 KB )
/data/wwwroot/neoware/vendor/thinkcmf/cmf/src/listener/ModuleInitListener.php ( 2.14 KB )
/data/wwwroot/neoware/vendor/topthink/think-helper/src/Collection.php ( 16.48 KB )
/data/wwwroot/neoware/app/matrix/controller/StandardController.php ( 50.79 KB )
/data/wwwroot/neoware/vendor/thinkcmf/cmf/src/controller/HomeBaseController.php ( 11.21 KB )
/data/wwwroot/neoware/vendor/thinkcmf/cmf/src/controller/BaseController.php ( 10.69 KB )
/data/wwwroot/neoware/vendor/thinkcmf/cmf/think/View.php ( 4.99 KB )
/data/wwwroot/neoware/vendor/topthink/framework/src/think/facade/Config.php ( 1.37 KB )
/data/wwwroot/neoware/vendor/topthink/framework/src/think/facade/Cookie.php ( 1.48 KB )
/data/wwwroot/neoware/vendor/topthink/framework/src/think/Cookie.php ( 6.06 KB )
/data/wwwroot/neoware/vendor/thinkcmf/cmf/think/view/driver/Think.php ( 8.42 KB )
/data/wwwroot/neoware/vendor/thinkcmf/cmf/think/Template.php ( 53.66 KB )
/data/wwwroot/neoware/vendor/thinkcmf/cmf/think/template/driver/File.php ( 2.33 KB )
/data/wwwroot/neoware/vendor/thinkcmf/cmf/src/listener/HomeLangListener.php ( 3.32 KB )
/data/wwwroot/neoware/vendor/topthink/framework/src/think/facade/Session.php ( 1.79 KB )
/data/wwwroot/neoware/vendor/thinkcmf/cmf/src/lang/zh-cn.php ( 6.92 KB )
/data/wwwroot/neoware/app/portal/lang/zh-cn/common.php ( 0.76 KB )
/data/wwwroot/neoware/app/matrix/lang/zh-cn.php ( 3.14 KB )
/data/wwwroot/neoware/app/portal/lang/zh-cn/home.php ( 0.62 KB )
/data/wwwroot/neoware/app/matrix/model/MixModel.php ( 16.82 KB )
/data/wwwroot/neoware/vendor/OpenSearch/Autoloader/Autoloader.php ( 1.17 KB )
/data/wwwroot/neoware/vendor/OpenSearch/Thrift/ClassLoader/ThriftClassLoader.php ( 5.94 KB )
/data/wwwroot/neoware/vendor/topthink/think-orm/src/db/connector/Mysql.php ( 4.33 KB )
/data/wwwroot/neoware/vendor/topthink/think-orm/src/db/PDOConnection.php ( 51.60 KB )
/data/wwwroot/neoware/vendor/topthink/think-orm/src/db/Connection.php ( 8.81 KB )
/data/wwwroot/neoware/vendor/topthink/think-orm/src/db/ConnectionInterface.php ( 4.86 KB )
/data/wwwroot/neoware/vendor/topthink/think-orm/src/db/builder/Mysql.php ( 16.56 KB )
/data/wwwroot/neoware/vendor/topthink/think-orm/src/db/Builder.php ( 22.26 KB )
/data/wwwroot/neoware/vendor/topthink/think-orm/src/db/BaseBuilder.php ( 27.29 KB )
/data/wwwroot/neoware/vendor/topthink/think-orm/src/db/Query.php ( 15.21 KB )
/data/wwwroot/neoware/vendor/topthink/think-orm/src/db/BaseQuery.php ( 41.68 KB )
/data/wwwroot/neoware/vendor/topthink/think-orm/src/db/concern/TimeFieldQuery.php ( 7.43 KB )
/data/wwwroot/neoware/vendor/topthink/think-orm/src/db/concern/AggregateQuery.php ( 3.26 KB )
/data/wwwroot/neoware/vendor/topthink/think-orm/src/db/concern/ModelRelationQuery.php ( 19.29 KB )
/data/wwwroot/neoware/vendor/topthink/think-orm/src/db/concern/ParamsBind.php ( 3.66 KB )
/data/wwwroot/neoware/vendor/topthink/think-orm/src/db/concern/ResultOperation.php ( 6.98 KB )
/data/wwwroot/neoware/vendor/topthink/think-orm/src/db/concern/Transaction.php ( 2.77 KB )
/data/wwwroot/neoware/vendor/topthink/think-orm/src/db/concern/WhereQuery.php ( 18.79 KB )
/data/wwwroot/neoware/vendor/topthink/think-orm/src/db/concern/JoinAndViewQuery.php ( 6.96 KB )
/data/wwwroot/neoware/vendor/topthink/think-orm/src/db/concern/TableFieldInfo.php ( 2.46 KB )
/data/wwwroot/neoware/vendor/topthink/framework/src/think/log/driver/File.php ( 6.19 KB )
/data/wwwroot/neoware/vendor/topthink/framework/src/think/contract/LogHandlerInterface.php ( 0.86 KB )
/data/wwwroot/neoware/vendor/topthink/framework/src/think/log/Channel.php ( 3.88 KB )
/data/wwwroot/neoware/vendor/topthink/framework/src/think/event/LogRecord.php ( 0.86 KB )
/data/wwwroot/neoware/app/matrix/service/SiteCache.php ( 33.41 KB )
/data/wwwroot/neoware/vendor/topthink/think-orm/src/model/Collection.php ( 6.96 KB )
/data/wwwroot/neoware/vendor/thinkcmf/cmf-app/src/admin/model/ThemeModel.php ( 12.28 KB )
/data/wwwroot/neoware/vendor/thinkcmf/cmf-app/src/admin/model/ThemeFileModel.php ( 1.91 KB )
/data/wwwroot/neoware/vendor/topthink/think-orm/src/facade/Db.php ( 0.93 KB )
/data/wwwroot/neoware/data/runtime/temp/zh-cn_f1cef753ce8fb327531dfb6a8b0c70b7.php ( 41.52 KB )
/data/wwwroot/neoware/vendor/topthink/framework/src/think/Response.php ( 8.81 KB )
/data/wwwroot/neoware/vendor/topthink/framework/src/think/response/Html.php ( 0.97 KB )
/data/wwwroot/neoware/vendor/topthink/think-trace/src/Html.php ( 4.37 KB )
CONNECT:[ UseTime:0.000856s ] mysql:host=neowarein.mysql.rds.aliyuncs.com;port=3306;dbname=bootwiki;charset=utf8mb4
SHOW FULL COLUMNS FROM `cmf_mix` [ RunTime:0.001782s ]
SELECT * FROM `cmf_mix` WHERE `uuid` = '862f38bfd0a24ad9b3c6cb8fc1f3ba0c' LIMIT 1 [ RunTime:0.000910s ]
SELECT `title`,`uuid` FROM `cmf_mix` WHERE `status` = 0 AND `list_id` = 154 ORDER BY `id` DESC LIMIT 15 [ RunTime:0.008657s ]
SHOW FULL COLUMNS FROM `cmf_theme_file` [ RunTime:0.001310s ]
SELECT * FROM `cmf_theme_file` WHERE `theme` = 'default' AND `file` = 'demo/index' LIMIT 1 [ RunTime:0.000673s ]
UPDATE `cmf_theme_file` SET `theme` = 'default' , `action` = 'demo/Index/index' , `file` = 'demo/index' , `name` = '首页' , `more` = '{\"vars\":{\"top_slide\":{\"title\":\"\\u9876\\u90e8\\u5e7b\\u706f\\u7247\",\"value\":\"\",\"type\":\"text\",\"dataSource\":{\"api\":\"admin\\/Slide\\/index\",\"multi\":false},\"placeholder\":\"\\u8bf7\\u9009\\u62e9\\u9876\\u90e8\\u5e7b\\u706f\\u7247\",\"tip\":\"\\u9876\\u90e8\\u5e7b\\u706f\\u7247\",\"rule\":{\"require\":true}}},\"widgets\":{\"features\":{\"title\":\"\\u5feb\\u901f\\u4e86\\u89e3ThinkCMF\",\"display\":\"1\",\"vars\":{\"sub_title\":{\"title\":\"\\u526f\\u6807\\u9898\",\"value\":\"Quickly understand the ThinkCMF\",\"type\":\"text\",\"placeholder\":\"\\u8bf7\\u8f93\\u5165\\u526f\\u6807\\u9898\",\"tip\":\"\",\"rule\":{\"require\":true}},\"features\":{\"title\":\"\\u7279\\u6027\\u4ecb\\u7ecd\",\"value\":[{\"title\":\"MVC\\u5206\\u5c42\\u6a21\\u5f0f\",\"icon\":\"bars\",\"content\":\"\\u4f7f\\u7528MVC\\u5e94\\u7528\\u7a0b\\u5e8f\\u88ab\\u5206\\u6210\\u4e09\\u4e2a\\u6838\\u5fc3\\u90e8\\u4ef6\\uff1a\\u6a21\\u578b\\uff08M\\uff09\\u3001\\u89c6\\u56fe\\uff08V\\uff09\\u3001\\u63a7\\u5236\\u5668\\uff08C\\uff09\\uff0c\\u4ed6\\u4e0d\\u662f\\u4e00\\u4e2a\\u65b0\\u7684\\u6982\\u5ff5\\uff0c\\u53ea\\u662fThinkCMF\\u5c06\\u5176\\u53d1\\u6325\\u5230\\u4e86\\u6781\\u81f4\\u3002\"},{\"title\":\"\\u7528\\u6237\\u7ba1\\u7406\",\"icon\":\"group\",\"content\":\"ThinkCMF\\u5185\\u7f6e\\u4e86\\u7075\\u6d3b\\u7684\\u7528\\u6237\\u7ba1\\u7406\\u65b9\\u5f0f\\uff0c\\u5e76\\u53ef\\u76f4\\u63a5\\u4e0e\\u7b2c\\u4e09\\u65b9\\u7ad9\\u70b9\\u8fdb\\u884c\\u4e92\\u8054\\u4e92\\u901a\\uff0c\\u5982\\u679c\\u4f60\\u613f\\u610f\\u751a\\u81f3\\u53ef\\u4ee5\\u5bf9\\u5355\\u4e2a\\u7528\\u6237\\u6216\\u7fa4\\u4f53\\u7528\\u6237\\u7684\\u884c\\u4e3a\\u8fdb\\u884c\\u8bb0\\u5f55\\u53ca\\u5206\\u4eab\\uff0c\\u4e3a\\u60a8\\u7684\\u8fd0\\u8425\\u51b3\\u7b56\\u63d0\\u4f9b\\u6709\\u6548\\u53c2\\u8003\\u6570\\u636e\\u3002\"},{\"title\":\"\\u4e91\\u7aef\\u90e8\\u7f72\",\"icon\":\"cloud\",\"content\":\"\\u901a\\u8fc7\\u9a71\\u52a8\\u7684\\u65b9\\u5f0f\\u53ef\\u4ee5\\u8f7b\\u677e\\u652f\\u6301\\u4e91\\u5e73\\u53f0\\u7684\\u90e8\\u7f72\\uff0c\\u8ba9\\u4f60\\u7684\\u7f51\\u7ad9\\u65e0\\u7f1d\\u8fc1\\u79fb\\uff0c\\u5185\\u7f6e\\u5df2\\u7ecf\\u652f\\u6301SAE\\u3001BAE\\uff0c\\u6b63\\u5f0f\\u7248\\u5c06\\u5bf9\\u4e91\\u7aef\\u90e8\\u7f72\\u8fdb\\u884c\\u8fdb\\u4e00\\u6b65\\u4f18\\u5316\\u3002\"},{\"title\":\"\\u5b89\\u5168\\u7b56\\u7565\",\"icon\":\"heart\",\"content\":\"\\u63d0\\u4f9b\\u7684\\u7a33\\u5065\\u7684\\u5b89\\u5168\\u7b56\\u7565\\uff0c\\u5305\\u62ec\\u5907\\u4efd\\u6062\\u590d\\uff0c\\u5bb9\\u9519\\uff0c\\u9632\\u6cbb\\u6076\\u610f\\u653b\\u51fb\\u767b\\u9646\\uff0c\\u7f51\\u9875\\u9632\\u7be1\\u6539\\u7b49\\u591a\\u9879\\u5b89\\u5168\\u7ba1\\u7406\\u529f\\u80fd\\uff0c\\u4fdd\\u8bc1\\u7cfb\\u7edf\\u5b89\\u5168\\uff0c\\u53ef\\u9760\\uff0c\\u7a33\\u5b9a\\u7684\\u8fd0\\u884c\\u3002\"},{\"title\":\"\\u5e94\\u7528\\u6a21\\u5757\\u5316\",\"icon\":\"cubes\",\"content\":\"\\u63d0\\u51fa\\u5168\\u65b0\\u7684\\u5e94\\u7528\\u6a21\\u5f0f\\u8fdb\\u884c\\u6269\\u5c55\\uff0c\\u4e0d\\u7ba1\\u662f\\u4f60\\u5f00\\u53d1\\u4e00\\u4e2a\\u5c0f\\u529f\\u80fd\\u8fd8\\u662f\\u4e00\\u4e2a\\u5168\\u65b0\\u7684\\u7ad9\\u70b9\\uff0c\\u5728ThinkCMF\\u4e2d\\u4f60\\u53ea\\u662f\\u589e\\u52a0\\u4e86\\u4e00\\u4e2aAPP\\uff0c\\u6bcf\\u4e2a\\u72ec\\u7acb\\u8fd0\\u884c\\u4e92\\u4e0d\\u5f71\\u54cd\\uff0c\\u4fbf\\u4e8e\\u7075\\u6d3b\\u6269\\u5c55\\u548c\\u4e8c\\u6b21\\u5f00\\u53d1\\u3002\"},{\"title\":\"\\u514d\\u8d39\\u5f00\\u6e90\",\"icon\":\"certificate\",\"content\":\"\\u4ee3\\u7801\\u9075\\u5faaApache2\\u5f00\\u6e90\\u534f\\u8bae\\uff0c\\u514d\\u8d39\\u4f7f\\u7528\\uff0c\\u5bf9\\u5546\\u4e1a\\u7528\\u6237\\u4e5f\\u65e0\\u4efb\\u4f55\\u9650\\u5236\\u3002\"}],\"type\":\"array\",\"item\":{\"title\":{\"title\":\"\\u6807\\u9898\",\"value\":\"\",\"type\":\"text\",\"rule\":{\"require\":true}},\"icon\":{\"title\":\"\\u56fe\\u6807\",\"value\":\"\",\"type\":\"text\"},\"content\":{\"title\":\"\\u63cf\\u8ff0\",\"value\":\"\",\"type\":\"textarea\"}},\"tip\":\"\"}}},\"last_news\":{\"title\":\"\\u6700\\u65b0\\u8d44\\u8baf\",\"display\":\"1\",\"vars\":{\"last_news_category_id\":{\"title\":\"\\u6587\\u7ae0\\u5206\\u7c7bID\",\"value\":\"\",\"type\":\"text\",\"dataSource\":{\"api\":\"portal\\/Category\\/index\",\"multi\":true},\"placeholder\":\"\\u8bf7\\u9009\\u62e9\\u5206\\u7c7b\",\"tip\":\"\",\"rule\":{\"require\":true}}}}}}' , `config_more` = '{\"vars\":{\"top_slide\":{\"title\":\"\\u9876\\u90e8\\u5e7b\\u706f\\u7247\",\"value\":\"\",\"type\":\"text\",\"dataSource\":{\"api\":\"admin\\/Slide\\/index\",\"multi\":false},\"placeholder\":\"\\u8bf7\\u9009\\u62e9\\u9876\\u90e8\\u5e7b\\u706f\\u7247\",\"tip\":\"\\u9876\\u90e8\\u5e7b\\u706f\\u7247\",\"rule\":{\"require\":true}}},\"widgets\":{\"features\":{\"title\":\"\\u5feb\\u901f\\u4e86\\u89e3ThinkCMF\",\"display\":\"1\",\"vars\":{\"sub_title\":{\"title\":\"\\u526f\\u6807\\u9898\",\"value\":\"Quickly understand the ThinkCMF\",\"type\":\"text\",\"placeholder\":\"\\u8bf7\\u8f93\\u5165\\u526f\\u6807\\u9898\",\"tip\":\"\",\"rule\":{\"require\":true}},\"features\":{\"title\":\"\\u7279\\u6027\\u4ecb\\u7ecd\",\"value\":[{\"title\":\"MVC\\u5206\\u5c42\\u6a21\\u5f0f\",\"icon\":\"bars\",\"content\":\"\\u4f7f\\u7528MVC\\u5e94\\u7528\\u7a0b\\u5e8f\\u88ab\\u5206\\u6210\\u4e09\\u4e2a\\u6838\\u5fc3\\u90e8\\u4ef6\\uff1a\\u6a21\\u578b\\uff08M\\uff09\\u3001\\u89c6\\u56fe\\uff08V\\uff09\\u3001\\u63a7\\u5236\\u5668\\uff08C\\uff09\\uff0c\\u4ed6\\u4e0d\\u662f\\u4e00\\u4e2a\\u65b0\\u7684\\u6982\\u5ff5\\uff0c\\u53ea\\u662fThinkCMF\\u5c06\\u5176\\u53d1\\u6325\\u5230\\u4e86\\u6781\\u81f4\\u3002\"},{\"title\":\"\\u7528\\u6237\\u7ba1\\u7406\",\"icon\":\"group\",\"content\":\"ThinkCMF\\u5185\\u7f6e\\u4e86\\u7075\\u6d3b\\u7684\\u7528\\u6237\\u7ba1\\u7406\\u65b9\\u5f0f\\uff0c\\u5e76\\u53ef\\u76f4\\u63a5\\u4e0e\\u7b2c\\u4e09\\u65b9\\u7ad9\\u70b9\\u8fdb\\u884c\\u4e92\\u8054\\u4e92\\u901a\\uff0c\\u5982\\u679c\\u4f60\\u613f\\u610f\\u751a\\u81f3\\u53ef\\u4ee5\\u5bf9\\u5355\\u4e2a\\u7528\\u6237\\u6216\\u7fa4\\u4f53\\u7528\\u6237\\u7684\\u884c\\u4e3a\\u8fdb\\u884c\\u8bb0\\u5f55\\u53ca\\u5206\\u4eab\\uff0c\\u4e3a\\u60a8\\u7684\\u8fd0\\u8425\\u51b3\\u7b56\\u63d0\\u4f9b\\u6709\\u6548\\u53c2\\u8003\\u6570\\u636e\\u3002\"},{\"title\":\"\\u4e91\\u7aef\\u90e8\\u7f72\",\"icon\":\"cloud\",\"content\":\"\\u901a\\u8fc7\\u9a71\\u52a8\\u7684\\u65b9\\u5f0f\\u53ef\\u4ee5\\u8f7b\\u677e\\u652f\\u6301\\u4e91\\u5e73\\u53f0\\u7684\\u90e8\\u7f72\\uff0c\\u8ba9\\u4f60\\u7684\\u7f51\\u7ad9\\u65e0\\u7f1d\\u8fc1\\u79fb\\uff0c\\u5185\\u7f6e\\u5df2\\u7ecf\\u652f\\u6301SAE\\u3001BAE\\uff0c\\u6b63\\u5f0f\\u7248\\u5c06\\u5bf9\\u4e91\\u7aef\\u90e8\\u7f72\\u8fdb\\u884c\\u8fdb\\u4e00\\u6b65\\u4f18\\u5316\\u3002\"},{\"title\":\"\\u5b89\\u5168\\u7b56\\u7565\",\"icon\":\"heart\",\"content\":\"\\u63d0\\u4f9b\\u7684\\u7a33\\u5065\\u7684\\u5b89\\u5168\\u7b56\\u7565\\uff0c\\u5305\\u62ec\\u5907\\u4efd\\u6062\\u590d\\uff0c\\u5bb9\\u9519\\uff0c\\u9632\\u6cbb\\u6076\\u610f\\u653b\\u51fb\\u767b\\u9646\\uff0c\\u7f51\\u9875\\u9632\\u7be1\\u6539\\u7b49\\u591a\\u9879\\u5b89\\u5168\\u7ba1\\u7406\\u529f\\u80fd\\uff0c\\u4fdd\\u8bc1\\u7cfb\\u7edf\\u5b89\\u5168\\uff0c\\u53ef\\u9760\\uff0c\\u7a33\\u5b9a\\u7684\\u8fd0\\u884c\\u3002\"},{\"title\":\"\\u5e94\\u7528\\u6a21\\u5757\\u5316\",\"icon\":\"cubes\",\"content\":\"\\u63d0\\u51fa\\u5168\\u65b0\\u7684\\u5e94\\u7528\\u6a21\\u5f0f\\u8fdb\\u884c\\u6269\\u5c55\\uff0c\\u4e0d\\u7ba1\\u662f\\u4f60\\u5f00\\u53d1\\u4e00\\u4e2a\\u5c0f\\u529f\\u80fd\\u8fd8\\u662f\\u4e00\\u4e2a\\u5168\\u65b0\\u7684\\u7ad9\\u70b9\\uff0c\\u5728ThinkCMF\\u4e2d\\u4f60\\u53ea\\u662f\\u589e\\u52a0\\u4e86\\u4e00\\u4e2aAPP\\uff0c\\u6bcf\\u4e2a\\u72ec\\u7acb\\u8fd0\\u884c\\u4e92\\u4e0d\\u5f71\\u54cd\\uff0c\\u4fbf\\u4e8e\\u7075\\u6d3b\\u6269\\u5c55\\u548c\\u4e8c\\u6b21\\u5f00\\u53d1\\u3002\"},{\"title\":\"\\u514d\\u8d39\\u5f00\\u6e90\",\"icon\":\"certificate\",\"content\":\"\\u4ee3\\u7801\\u9075\\u5faaApache2\\u5f00\\u6e90\\u534f\\u8bae\\uff0c\\u514d\\u8d39\\u4f7f\\u7528\\uff0c\\u5bf9\\u5546\\u4e1a\\u7528\\u6237\\u4e5f\\u65e0\\u4efb\\u4f55\\u9650\\u5236\\u3002\"}],\"type\":\"array\",\"item\":{\"title\":{\"title\":\"\\u6807\\u9898\",\"value\":\"\",\"type\":\"text\",\"rule\":{\"require\":true}},\"icon\":{\"title\":\"\\u56fe\\u6807\",\"value\":\"\",\"type\":\"text\"},\"content\":{\"title\":\"\\u63cf\\u8ff0\",\"value\":\"\",\"type\":\"textarea\"}},\"tip\":\"\"}}},\"last_news\":{\"title\":\"\\u6700\\u65b0\\u8d44\\u8baf\",\"display\":\"1\",\"vars\":{\"last_news_category_id\":{\"title\":\"\\u6587\\u7ae0\\u5206\\u7c7bID\",\"value\":\"\",\"type\":\"text\",\"dataSource\":{\"api\":\"portal\\/Category\\/index\",\"multi\":true},\"placeholder\":\"\\u8bf7\\u9009\\u62e9\\u5206\\u7c7b\",\"tip\":\"\",\"rule\":{\"require\":true}}}}}}' , `description` = '首页模板文件' , `is_public` = 0 , `list_order` = '5' WHERE `theme` = 'default' AND `file` = 'demo/index' [ RunTime:0.000569s ]
SELECT * FROM `cmf_theme_file` WHERE `theme` = 'default' AND `file` = 'matrix/neowiki/search' LIMIT 1 [ RunTime:0.000512s ]
UPDATE `cmf_theme_file` SET `theme` = 'default' , `action` = 'portal/search/index' , `file` = 'matrix/neowiki/search' , `name` = '搜索页面' , `more` = '{\"vars\":{\"varName1\":{\"title\":\"\\u70ed\\u95e8\\u641c\\u7d22\",\"value\":\"1\",\"type\":\"text\",\"tip\":\"\\u8fd9\\u662f\\u4e00\\u4e2atext\",\"rule\":{\"require\":true}}}}' , `config_more` = '{\"vars\":{\"varName1\":{\"title\":\"\\u70ed\\u95e8\\u641c\\u7d22\",\"value\":\"1\",\"type\":\"text\",\"tip\":\"\\u8fd9\\u662f\\u4e00\\u4e2atext\",\"rule\":{\"require\":true}}}}' , `description` = '搜索模板文件' , `is_public` = 0 , `list_order` = '10' WHERE `theme` = 'default' AND `file` = 'matrix/neowiki/search' [ RunTime:0.000517s ]
SELECT * FROM `cmf_theme_file` WHERE `theme` = 'default' AND `file` = 'mix/list' LIMIT 1 [ RunTime:0.000580s ]
UPDATE `cmf_theme_file` SET `theme` = 'default' , `action` = 'portal/List/index' , `file` = 'mix/list' , `name` = '文章列表页' , `more` = '{\"vars\":[],\"widgets\":{\"hottest_articles\":{\"title\":\"\\u70ed\\u95e8\\u6587\\u7ae0\",\"display\":\"1\",\"vars\":{\"hottest_articles_category_id\":{\"title\":\"\\u6587\\u7ae0\\u5206\\u7c7bID\",\"value\":\"\",\"type\":\"text\",\"dataSource\":{\"api\":\"portal\\/category\\/index\",\"multi\":true},\"placeholder\":\"\\u8bf7\\u9009\\u62e9\\u5206\\u7c7b\",\"tip\":\"\",\"rule\":{\"require\":true}}}},\"last_articles\":{\"title\":\"\\u6700\\u65b0\\u53d1\\u5e03\",\"display\":\"1\",\"vars\":{\"last_articles_category_id\":{\"title\":\"\\u6587\\u7ae0\\u5206\\u7c7bID\",\"value\":\"\",\"type\":\"text\",\"dataSource\":{\"api\":\"portal\\/category\\/index\",\"multi\":true},\"placeholder\":\"\\u8bf7\\u9009\\u62e9\\u5206\\u7c7b\",\"tip\":\"\",\"rule\":{\"require\":true}}}}}}' , `config_more` = '{\"vars\":[],\"widgets\":{\"hottest_articles\":{\"title\":\"\\u70ed\\u95e8\\u6587\\u7ae0\",\"display\":\"1\",\"vars\":{\"hottest_articles_category_id\":{\"title\":\"\\u6587\\u7ae0\\u5206\\u7c7bID\",\"value\":\"\",\"type\":\"text\",\"dataSource\":{\"api\":\"portal\\/category\\/index\",\"multi\":true},\"placeholder\":\"\\u8bf7\\u9009\\u62e9\\u5206\\u7c7b\",\"tip\":\"\",\"rule\":{\"require\":true}}}},\"last_articles\":{\"title\":\"\\u6700\\u65b0\\u53d1\\u5e03\",\"display\":\"1\",\"vars\":{\"last_articles_category_id\":{\"title\":\"\\u6587\\u7ae0\\u5206\\u7c7bID\",\"value\":\"\",\"type\":\"text\",\"dataSource\":{\"api\":\"portal\\/category\\/index\",\"multi\":true},\"placeholder\":\"\\u8bf7\\u9009\\u62e9\\u5206\\u7c7b\",\"tip\":\"\",\"rule\":{\"require\":true}}}}}}' , `description` = '文章列表模板文件' , `is_public` = 0 , `list_order` = '10' WHERE `theme` = 'default' AND `file` = 'mix/list' [ RunTime:0.000608s ]
SELECT * FROM `cmf_theme_file` WHERE `theme` = 'default' AND `file` = 'mix/search' LIMIT 1 [ RunTime:0.000727s ]
UPDATE `cmf_theme_file` SET `theme` = 'default' , `action` = 'portal/search/index' , `file` = 'mix/search' , `name` = '搜索页面' , `more` = '{\"vars\":{\"varName1\":{\"title\":\"\\u70ed\\u95e8\\u641c\\u7d22\",\"value\":\"1\",\"type\":\"text\",\"tip\":\"\\u8fd9\\u662f\\u4e00\\u4e2atext\",\"rule\":{\"require\":true}}}}' , `config_more` = '{\"vars\":{\"varName1\":{\"title\":\"\\u70ed\\u95e8\\u641c\\u7d22\",\"value\":\"1\",\"type\":\"text\",\"tip\":\"\\u8fd9\\u662f\\u4e00\\u4e2atext\",\"rule\":{\"require\":true}}}}' , `description` = '搜索模板文件' , `is_public` = 0 , `list_order` = '10' WHERE `theme` = 'default' AND `file` = 'mix/search' [ RunTime:0.005618s ]
SELECT * FROM `cmf_theme_file` WHERE `theme` = 'default' AND `file` = 'portal/article' LIMIT 1 [ RunTime:0.000501s ]
UPDATE `cmf_theme_file` SET `theme` = 'default' , `action` = 'portal/Article/index' , `file` = 'portal/article' , `name` = '文章页' , `more` = '{\"widgets_blocks\":{\"top\":{\"title\":\"\\u9876\\u90e8\",\"widgets\":{\"top_nav_202206300003\":{\"title\":\"\\u9876\\u90e8\\u5bfc\\u822a\",\"name\":\"nav\",\"display\":\"1\",\"version\":\"1.0.0\",\"action\":\"\",\"vars\":{\"company_name\":\"ThinkCMF\",\"nav_id\":\"\"}}}},\"body_left\":{\"title\":\"\\u4e3b\\u4f53\\u5de6\",\"widgets\":{\"article_202206300003\":{\"title\":\"\\u6587\\u7ae0\\u5185\\u5bb9\",\"name\":\"article\",\"display\":\"1\",\"version\":\"1.0.0\",\"action\":\"portal\\/Article\\/index\",\"vars\":[]},\"article_last_news_202206300003\":{\"title\":\"\\u6700\\u65b0\\u8d44\\u8baf\",\"name\":\"last_news\",\"display\":\"1\",\"version\":\"1.0.0\",\"action\":\"\",\"vars\":{\"last_news_category_id\":\"\"}}}},\"body_right\":{\"title\":\"\\u4e3b\\u4f53\\u53f3\",\"widgets\":{\"article_side_hot_articles_202206300004\":{\"title\":\"\\u70ed\\u95e8\\u6587\\u7ae0\",\"name\":\"side_hot_articles\",\"display\":\"1\",\"version\":\"1.0.0\",\"action\":\"\",\"vars\":{\"hottest_articles_category_id\":\"\"}},\"article_side_last_articles_202206300004\":{\"title\":\"\\u6700\\u65b0\\u6587\\u7ae0\",\"name\":\"side_last_articles\",\"display\":\"1\",\"version\":\"1.0.0\",\"action\":\"\",\"vars\":{\"last_articles_category_id\":\"\"}}}},\"footer\":{\"title\":\"\\u5e95\\u90e8\",\"widgets\":{\"footer_202206300003\":{\"title\":\"\\u5e95\\u90e8\",\"name\":\"footer\",\"display\":\"1\",\"version\":\"1.0.0\",\"action\":\"\",\"vars\":[]}}}}}' , `config_more` = '{\"widgets_blocks\":{\"top\":{\"title\":\"\\u9876\\u90e8\",\"widgets\":{\"top_nav_202206300003\":{\"title\":\"\\u9876\\u90e8\\u5bfc\\u822a\",\"name\":\"nav\",\"display\":\"1\",\"public_widget_id\":\"top_nav\"}}},\"body_left\":{\"title\":\"\\u4e3b\\u4f53\\u5de6\",\"widgets\":{\"article_202206300003\":{\"title\":\"\\u6587\\u7ae0\\u5185\\u5bb9\",\"name\":\"article\",\"display\":\"1\"},\"article_last_news_202206300003\":{\"title\":\"\\u6700\\u65b0\\u8d44\\u8baf\",\"name\":\"last_news\",\"display\":\"1\"}}},\"body_right\":{\"title\":\"\\u4e3b\\u4f53\\u53f3\",\"widgets\":{\"article_side_hot_articles_202206300004\":{\"title\":\"\\u70ed\\u95e8\\u6587\\u7ae0\",\"name\":\"side_hot_articles\",\"display\":\"1\"},\"article_side_last_articles_202206300004\":{\"title\":\"\\u6700\\u65b0\\u6587\\u7ae0\",\"name\":\"side_last_articles\",\"display\":\"1\"}}},\"footer\":{\"title\":\"\\u5e95\\u90e8\",\"widgets\":{\"footer_202206300003\":{\"title\":\"\\u5e95\\u90e8\",\"name\":\"footer\",\"display\":\"1\",\"public_widget_id\":\"footer\"}}}}}' , `description` = '文章页模板文件' , `is_public` = 0 , `list_order` = '10' WHERE `theme` = 'default' AND `file` = 'portal/article' [ RunTime:0.000644s ]
SELECT * FROM `cmf_theme_file` WHERE `theme` = 'default' AND `file` = 'portal/contact' LIMIT 1 [ RunTime:0.000538s ]
UPDATE `cmf_theme_file` SET `theme` = 'default' , `action` = 'portal/Page/index' , `file` = 'portal/contact' , `name` = '联系我们页' , `more` = '{\"widgets_blocks\":{\"top\":{\"title\":\"\\u9876\\u90e8\",\"widgets\":{\"top_nav_202206300003\":{\"title\":\"\\u9876\\u90e8\\u5bfc\\u822a\",\"name\":\"nav\",\"display\":\"1\",\"version\":\"1.0.0\",\"action\":\"\",\"vars\":{\"company_name\":\"ThinkCMF\",\"nav_id\":\"\"}}}},\"body\":{\"title\":\"\\u4e3b\\u4f53\",\"widgets\":{\"contact_map_202206300003\":{\"title\":\"\\u8054\\u7cfb\\u5730\\u56fe\",\"name\":\"map_contact\",\"display\":\"1\",\"version\":\"1.0.0\",\"action\":\"\",\"vars\":{\"baidu_map_info_window_text\":\"ThinkCMF<br\\/><span class=\'\'>\\u5730\\u5740\\uff1a\\u4e0a\\u6d77\\u5e02\\u5f90\\u6c47\\u533a\\u659c\\u571f\\u8def2601\\u53f7<\\/span>\",\"baidu_map_info_window_rich_text\":\"ThinkCMF<br\\/><span class=\'\'>\\u5730\\u5740\\uff1a\\u4e0a\\u6d77\\u5e02\\u5f90\\u6c47\\u533a\\u659c\\u571f\\u8def2601\\u53f7<\\/span>\",\"baidu_map_info_window_rich_text2\":\"ThinkCMF<br\\/><span class=\'\'>\\u5730\\u5740\\uff1a\\u4e0a\\u6d77\\u5e02\\u5f90\\u6c47\\u533a\\u659c\\u571f\\u8def2601\\u53f7<\\/span>\",\"company_location\":\"\",\"fullscreen\":1}},\"contact_guestbook_202206300003\":{\"title\":\"\\u5ba2\\u6237\\u8054\\u7cfb\",\"name\":\"guestbook\",\"display\":\"1\",\"version\":\"1.0.0\",\"action\":\"\",\"vars\":{\"address_cn\":\"\\u4e0a\\u6d77\\u5e02\\u5f90\\u6c47\\u533a\\u659c\\u571f\\u8def0001\\u53f7\",\"address_en\":\"NO.0001 Xie Tu Road, Shanghai China\",\"email\":\"catman@thinkcmf.com\",\"phone_cn\":\"021 1000 0001\",\"phone_en\":\"+8621 1000 0001\",\"qq\":\"478519726\"}}}},\"footer\":{\"title\":\"\\u5e95\\u90e8\",\"widgets\":{\"contact_footer_202206300003\":{\"title\":\"\\u5e95\\u90e8\",\"name\":\"footer\",\"display\":\"1\",\"version\":\"1.0.0\",\"action\":\"\",\"vars\":[]}}}}}' , `config_more` = '{\"widgets_blocks\":{\"top\":{\"title\":\"\\u9876\\u90e8\",\"widgets\":{\"top_nav_202206300003\":{\"title\":\"\\u9876\\u90e8\\u5bfc\\u822a\",\"name\":\"nav\",\"display\":\"1\",\"public_widget_id\":\"top_nav\"}}},\"body\":{\"title\":\"\\u4e3b\\u4f53\",\"widgets\":{\"contact_map_202206300003\":{\"title\":\"\\u8054\\u7cfb\\u5730\\u56fe\",\"name\":\"tianditu_contact\",\"display\":\"1\"},\"contact_guestbook_202206300003\":{\"title\":\"\\u5ba2\\u6237\\u8054\\u7cfb\",\"name\":\"guestbook\",\"display\":\"1\"}}},\"footer\":{\"title\":\"\\u5e95\\u90e8\",\"widgets\":{\"contact_footer_202206300003\":{\"title\":\"\\u5e95\\u90e8\",\"name\":\"footer\",\"display\":\"1\",\"public_widget_id\":\"footer\"}}}}}' , `description` = '联系我们页模板文件' , `is_public` = 0 , `list_order` = '10' WHERE `theme` = 'default' AND `file` = 'portal/contact' [ RunTime:0.000545s ]
SELECT * FROM `cmf_theme_file` WHERE `theme` = 'default' AND `file` = 'portal/index' LIMIT 1 [ RunTime:0.000532s ]
UPDATE `cmf_theme_file` SET `theme` = 'default' , `action` = 'portal/Index/index' , `file` = 'portal/index' , `name` = '首页' , `more` = '{\"widgets_blocks\":{\"top\":{\"title\":\"\\u9876\\u90e8\",\"widgets\":{\"top_nav_202206300003\":{\"title\":\"\\u9876\\u90e8\\u5bfc\\u822a\",\"name\":\"nav\",\"display\":\"1\",\"version\":\"1.0.0\",\"action\":\"\",\"vars\":{\"company_name\":\"ThinkCMF\",\"nav_id\":\"\"}}}},\"body\":{\"title\":\"\\u4e3b\\u4f53\",\"widgets\":{\"home_slider_202206300003\":{\"title\":\"\\u9996\\u9875\\u5e7b\\u706f\\u7247\",\"name\":\"slider\",\"display\":\"1\",\"version\":\"1.0.0\",\"action\":\"\",\"vars\":{\"slide_id\":\"\",\"fullscreen\":1}},\"home_features_202206300003\":{\"title\":\"\\u4ea7\\u54c1\\u7279\\u6027\",\"name\":\"features\",\"display\":\"1\",\"version\":\"1.0.0\",\"action\":\"\",\"vars\":{\"sub_title\":\"Quickly understand the ThinkCMF\",\"features\":[{\"title\":\"MVC\\u5206\\u5c42\\u6a21\\u5f0f\",\"icon\":\"bars\",\"content\":\"\\u4f7f\\u7528MVC\\u5e94\\u7528\\u7a0b\\u5e8f\\u88ab\\u5206\\u6210\\u4e09\\u4e2a\\u6838\\u5fc3\\u90e8\\u4ef6\\uff1a\\u6a21\\u578b\\uff08M\\uff09\\u3001\\u89c6\\u56fe\\uff08V\\uff09\\u3001\\u63a7\\u5236\\u5668\\uff08C\\uff09\\uff0c\\u4ed6\\u4e0d\\u662f\\u4e00\\u4e2a\\u65b0\\u7684\\u6982\\u5ff5\\uff0c\\u53ea\\u662fThinkCMF\\u5c06\\u5176\\u53d1\\u6325\\u5230\\u4e86\\u6781\\u81f4\\u3002\"},{\"title\":\"\\u7528\\u6237\\u7ba1\\u7406\",\"icon\":\"group\",\"content\":\"ThinkCMF\\u5185\\u7f6e\\u4e86\\u7075\\u6d3b\\u7684\\u7528\\u6237\\u7ba1\\u7406\\u65b9\\u5f0f\\uff0c\\u5e76\\u53ef\\u76f4\\u63a5\\u4e0e\\u7b2c\\u4e09\\u65b9\\u7ad9\\u70b9\\u8fdb\\u884c\\u4e92\\u8054\\u4e92\\u901a\\uff0c\\u5982\\u679c\\u4f60\\u613f\\u610f\\u751a\\u81f3\\u53ef\\u4ee5\\u5bf9\\u5355\\u4e2a\\u7528\\u6237\\u6216\\u7fa4\\u4f53\\u7528\\u6237\\u7684\\u884c\\u4e3a\\u8fdb\\u884c\\u8bb0\\u5f55\\u53ca\\u5206\\u4eab\\uff0c\\u4e3a\\u60a8\\u7684\\u8fd0\\u8425\\u51b3\\u7b56\\u63d0\\u4f9b\\u6709\\u6548\\u53c2\\u8003\\u6570\\u636e\\u3002\"},{\"title\":\"\\u4e91\\u7aef\\u90e8\\u7f72\",\"icon\":\"cloud\",\"content\":\"\\u901a\\u8fc7\\u9a71\\u52a8\\u7684\\u65b9\\u5f0f\\u53ef\\u4ee5\\u8f7b\\u677e\\u652f\\u6301\\u4e91\\u5e73\\u53f0\\u7684\\u90e8\\u7f72\\uff0c\\u8ba9\\u4f60\\u7684\\u7f51\\u7ad9\\u65e0\\u7f1d\\u8fc1\\u79fb\\uff0c\\u5185\\u7f6e\\u5df2\\u7ecf\\u652f\\u6301SAE\\u3001BAE\\uff0c\\u6b63\\u5f0f\\u7248\\u5c06\\u5bf9\\u4e91\\u7aef\\u90e8\\u7f72\\u8fdb\\u884c\\u8fdb\\u4e00\\u6b65\\u4f18\\u5316\\u3002\"},{\"title\":\"\\u5b89\\u5168\\u7b56\\u7565\",\"icon\":\"heart\",\"content\":\"\\u63d0\\u4f9b\\u7684\\u7a33\\u5065\\u7684\\u5b89\\u5168\\u7b56\\u7565\\uff0c\\u5305\\u62ec\\u5907\\u4efd\\u6062\\u590d\\uff0c\\u5bb9\\u9519\\uff0c\\u9632\\u6cbb\\u6076\\u610f\\u653b\\u51fb\\u767b\\u9646\\uff0c\\u7f51\\u9875\\u9632\\u7be1\\u6539\\u7b49\\u591a\\u9879\\u5b89\\u5168\\u7ba1\\u7406\\u529f\\u80fd\\uff0c\\u4fdd\\u8bc1\\u7cfb\\u7edf\\u5b89\\u5168\\uff0c\\u53ef\\u9760\\uff0c\\u7a33\\u5b9a\\u7684\\u8fd0\\u884c\\u3002\"},{\"title\":\"\\u5e94\\u7528\\u6a21\\u5757\\u5316\",\"icon\":\"cubes\",\"content\":\"\\u63d0\\u51fa\\u5168\\u65b0\\u7684\\u5e94\\u7528\\u6a21\\u5f0f\\u8fdb\\u884c\\u6269\\u5c55\\uff0c\\u4e0d\\u7ba1\\u662f\\u4f60\\u5f00\\u53d1\\u4e00\\u4e2a\\u5c0f\\u529f\\u80fd\\u8fd8\\u662f\\u4e00\\u4e2a\\u5168\\u65b0\\u7684\\u7ad9\\u70b9\\uff0c\\u5728ThinkCMF\\u4e2d\\u4f60\\u53ea\\u662f\\u589e\\u52a0\\u4e86\\u4e00\\u4e2aAPP\\uff0c\\u6bcf\\u4e2a\\u72ec\\u7acb\\u8fd0\\u884c\\u4e92\\u4e0d\\u5f71\\u54cd\\uff0c\\u4fbf\\u4e8e\\u7075\\u6d3b\\u6269\\u5c55\\u548c\\u4e8c\\u6b21\\u5f00\\u53d1\\u3002\"},{\"title\":\"\\u514d\\u8d39\\u5f00\\u6e90\",\"icon\":\"certificate\",\"content\":\"\\u4ee3\\u7801\\u9075\\u5faaApache2\\u5f00\\u6e90\\u534f\\u8bae\\uff0c\\u514d\\u8d39\\u4f7f\\u7528\\uff0c\\u5bf9\\u5546\\u4e1a\\u7528\\u6237\\u4e5f\\u65e0\\u4efb\\u4f55\\u9650\\u5236\\u3002\"}]}},\"home_last_news_202206300003\":{\"title\":\"\\u6700\\u65b0\\u8d44\\u8baf\",\"name\":\"last_news\",\"display\":\"1\",\"version\":\"1.0.0\",\"action\":\"\",\"vars\":{\"last_news_category_id\":\"\"}},\"home_last_news_202206300004\":{\"title\":\"\\u6700\\u65b0\\u8d44\\u8baf\",\"name\":\"last_news\",\"display\":\"1\",\"version\":\"1.0.0\",\"action\":\"\",\"vars\":{\"last_news_category_id\":\"\"}}}},\"footer\":{\"title\":\"\\u5e95\\u90e8\",\"widgets\":{\"home_footer_202206300003\":{\"title\":\"\\u5e95\\u90e8\",\"name\":\"footer\",\"display\":\"1\",\"version\":\"1.0.0\",\"action\":\"\",\"vars\":[]}}}}}' , `config_more` = '{\"widgets_blocks\":{\"top\":{\"title\":\"\\u9876\\u90e8\",\"widgets\":{\"top_nav_202206300003\":{\"title\":\"\\u9876\\u90e8\\u5bfc\\u822a\",\"name\":\"nav\",\"display\":\"1\",\"public_widget_id\":\"top_nav\"}}},\"body\":{\"title\":\"\\u4e3b\\u4f53\",\"widgets\":{\"home_slider_202206300003\":{\"title\":\"\\u9996\\u9875\\u5e7b\\u706f\\u7247\",\"name\":\"slider\",\"display\":\"1\"},\"home_features_202206300003\":{\"title\":\"\\u4ea7\\u54c1\\u7279\\u6027\",\"name\":\"features\",\"display\":\"1\"},\"home_last_news_202206300003\":{\"title\":\"\\u6700\\u65b0\\u8d44\\u8baf\",\"name\":\"last_news\",\"display\":\"1\"},\"home_last_news_202206300004\":{\"title\":\"\\u6700\\u65b0\\u8d44\\u8baf\",\"name\":\"last_news\",\"display\":\"1\"}}},\"footer\":{\"title\":\"\\u5e95\\u90e8\",\"widgets\":{\"home_footer_202206300003\":{\"title\":\"\\u5e95\\u90e8\",\"name\":\"footer\",\"display\":\"1\",\"public_widget_id\":\"footer\"}}}}}' , `description` = '首页模板文件' , `is_public` = 0 , `list_order` = '5' WHERE `theme` = 'default' AND `file` = 'portal/index' [ RunTime:0.000519s ]
SELECT * FROM `cmf_theme_file` WHERE `theme` = 'default' AND `file` = 'portal/list' LIMIT 1 [ RunTime:0.000545s ]
UPDATE `cmf_theme_file` SET `theme` = 'default' , `action` = 'portal/List/index' , `file` = 'portal/list' , `name` = '文章列表页' , `more` = '{\"widgets_blocks\":{\"top\":{\"title\":\"\\u9876\\u90e8\",\"widgets\":{\"top_nav_202206300003\":{\"title\":\"\\u9876\\u90e8\\u5bfc\\u822a\",\"name\":\"nav\",\"display\":\"1\",\"version\":\"1.0.0\",\"action\":\"\",\"vars\":{\"company_name\":\"ThinkCMF\",\"nav_id\":\"\"}}}},\"body_left\":{\"title\":\"\\u4e3b\\u4f53\\u5de6\",\"widgets\":{\"list_articles_202206300003\":{\"title\":\"\\u6587\\u7ae0\\u5217\\u8868\",\"name\":\"list_articles\",\"display\":\"1\",\"version\":\"1.0.0\",\"action\":\"portal\\/List\\/index\",\"vars\":[]},\"list_last_news_202206300003\":{\"title\":\"\\u6700\\u65b0\\u8d44\\u8baf\",\"name\":\"last_news\",\"display\":\"1\",\"version\":\"1.0.0\",\"action\":\"\",\"vars\":{\"last_news_category_id\":\"\"}}}},\"body_right\":{\"title\":\"\\u4e3b\\u4f53\\u53f3\",\"widgets\":{\"list_side_hot_articles_202206300004\":{\"title\":\"\\u70ed\\u95e8\\u6587\\u7ae0\",\"name\":\"side_hot_articles\",\"display\":\"1\",\"version\":\"1.0.0\",\"action\":\"\",\"vars\":{\"hottest_articles_category_id\":\"\"}},\"list_side_last_articles_202206300004\":{\"title\":\"\\u6700\\u65b0\\u6587\\u7ae0\",\"name\":\"side_last_articles\",\"display\":\"1\",\"version\":\"1.0.0\",\"action\":\"\",\"vars\":{\"last_articles_category_id\":\"\"}}}},\"footer\":{\"title\":\"\\u5e95\\u90e8\",\"widgets\":{\"home_footer_202206300003\":{\"title\":\"\\u5e95\\u90e8\",\"name\":\"footer\",\"display\":\"1\",\"version\":\"1.0.0\",\"action\":\"\",\"vars\":[]}}}}}' , `config_more` = '{\"widgets_blocks\":{\"top\":{\"title\":\"\\u9876\\u90e8\",\"widgets\":{\"top_nav_202206300003\":{\"title\":\"\\u9876\\u90e8\\u5bfc\\u822a\",\"name\":\"nav\",\"display\":\"1\",\"public_widget_id\":\"top_nav\"}}},\"body_left\":{\"title\":\"\\u4e3b\\u4f53\\u5de6\",\"widgets\":{\"list_articles_202206300003\":{\"title\":\"\\u6587\\u7ae0\\u5217\\u8868\",\"name\":\"list_articles\",\"display\":\"1\"},\"list_last_news_202206300003\":{\"title\":\"\\u6700\\u65b0\\u8d44\\u8baf\",\"name\":\"last_news\",\"display\":\"1\"}}},\"body_right\":{\"title\":\"\\u4e3b\\u4f53\\u53f3\",\"widgets\":{\"list_side_hot_articles_202206300004\":{\"title\":\"\\u70ed\\u95e8\\u6587\\u7ae0\",\"name\":\"side_hot_articles\",\"display\":\"1\"},\"list_side_last_articles_202206300004\":{\"title\":\"\\u6700\\u65b0\\u6587\\u7ae0\",\"name\":\"side_last_articles\",\"display\":\"1\"}}},\"footer\":{\"title\":\"\\u5e95\\u90e8\",\"widgets\":{\"home_footer_202206300003\":{\"title\":\"\\u5e95\\u90e8\",\"name\":\"footer\",\"display\":\"1\",\"public_widget_id\":\"footer\"}}}}}' , `description` = '文章列表模板文件' , `is_public` = 0 , `list_order` = '10' WHERE `theme` = 'default' AND `file` = 'portal/list' [ RunTime:0.000506s ]
SELECT * FROM `cmf_theme_file` WHERE `theme` = 'default' AND `file` = 'portal/page' LIMIT 1 [ RunTime:0.000492s ]
UPDATE `cmf_theme_file` SET `theme` = 'default' , `action` = 'portal/Page/index' , `file` = 'portal/page' , `name` = '单页面' , `more` = '{\"widgets_blocks\":{\"top\":{\"title\":\"\\u9876\\u90e8\",\"widgets\":{\"top_nav_202206300003\":{\"title\":\"\\u9876\\u90e8\\u5bfc\\u822a\",\"name\":\"nav\",\"display\":\"1\",\"version\":\"1.0.0\",\"action\":\"\",\"vars\":{\"company_name\":\"ThinkCMF\",\"nav_id\":\"\"}}}},\"body_left\":{\"title\":\"\\u4e3b\\u4f53\\u5de6\",\"widgets\":{\"page_202206300003\":{\"title\":\"\\u9875\\u9762\\u5185\\u5bb9\",\"name\":\"page\",\"display\":\"1\",\"version\":\"1.0.0\",\"action\":\"portal\\/Page\\/index\",\"vars\":[]},\"page_last_news_202206300003\":{\"title\":\"\\u6700\\u65b0\\u8d44\\u8baf\",\"name\":\"last_news\",\"display\":\"1\",\"version\":\"1.0.0\",\"action\":\"\",\"vars\":{\"last_news_category_id\":\"\"}}}},\"body_right\":{\"title\":\"\\u4e3b\\u4f53\\u53f3\",\"widgets\":{\"page_side_hot_articles_202206300004\":{\"title\":\"\\u70ed\\u95e8\\u6587\\u7ae0\",\"name\":\"side_hot_articles\",\"display\":\"1\",\"version\":\"1.0.0\",\"action\":\"\",\"vars\":{\"hottest_articles_category_id\":\"\"}},\"page_side_last_articles_202206300004\":{\"title\":\"\\u6700\\u65b0\\u6587\\u7ae0\",\"name\":\"side_last_articles\",\"display\":\"1\",\"version\":\"1.0.0\",\"action\":\"\",\"vars\":{\"last_articles_category_id\":\"\"}}}},\"footer\":{\"title\":\"\\u5e95\\u90e8\",\"widgets\":{\"footer_202206300003\":{\"title\":\"\\u5e95\\u90e8\",\"name\":\"footer\",\"display\":\"1\",\"version\":\"1.0.0\",\"action\":\"\",\"vars\":[]}}}}}' , `config_more` = '{\"widgets_blocks\":{\"top\":{\"title\":\"\\u9876\\u90e8\",\"widgets\":{\"top_nav_202206300003\":{\"title\":\"\\u9876\\u90e8\\u5bfc\\u822a\",\"name\":\"nav\",\"display\":\"1\",\"public_widget_id\":\"top_nav\"}}},\"body_left\":{\"title\":\"\\u4e3b\\u4f53\\u5de6\",\"widgets\":{\"page_202206300003\":{\"title\":\"\\u9875\\u9762\\u5185\\u5bb9\",\"name\":\"page\",\"display\":\"1\"},\"page_last_news_202206300003\":{\"title\":\"\\u6700\\u65b0\\u8d44\\u8baf\",\"name\":\"last_news\",\"display\":\"1\"}}},\"body_right\":{\"title\":\"\\u4e3b\\u4f53\\u53f3\",\"widgets\":{\"page_side_hot_articles_202206300004\":{\"title\":\"\\u70ed\\u95e8\\u6587\\u7ae0\",\"name\":\"side_hot_articles\",\"display\":\"1\"},\"page_side_last_articles_202206300004\":{\"title\":\"\\u6700\\u65b0\\u6587\\u7ae0\",\"name\":\"side_last_articles\",\"display\":\"1\"}}},\"footer\":{\"title\":\"\\u5e95\\u90e8\",\"widgets\":{\"footer_202206300003\":{\"title\":\"\\u5e95\\u90e8\",\"name\":\"footer\",\"display\":\"1\",\"public_widget_id\":\"footer\"}}}}}' , `description` = '单页面模板文件' , `is_public` = 0 , `list_order` = '10' WHERE `theme` = 'default' AND `file` = 'portal/page' [ RunTime:0.013285s ]
SELECT * FROM `cmf_theme_file` WHERE `theme` = 'default' AND `file` = 'portal/search' LIMIT 1 [ RunTime:0.000467s ]
UPDATE `cmf_theme_file` SET `theme` = 'default' , `action` = 'portal/search/index' , `file` = 'portal/search' , `name` = '搜索页面' , `more` = '{\"vars\":{\"varName1\":{\"title\":\"\\u70ed\\u95e8\\u641c\\u7d22\",\"value\":\"1\",\"type\":\"text\",\"tip\":\"\\u8fd9\\u662f\\u4e00\\u4e2atext\",\"rule\":{\"require\":true}}}}' , `config_more` = '{\"vars\":{\"varName1\":{\"title\":\"\\u70ed\\u95e8\\u641c\\u7d22\",\"value\":\"1\",\"type\":\"text\",\"tip\":\"\\u8fd9\\u662f\\u4e00\\u4e2atext\",\"rule\":{\"require\":true}}}}' , `description` = '搜索模板文件' , `is_public` = 0 , `list_order` = '10' WHERE `theme` = 'default' AND `file` = 'portal/search' [ RunTime:0.000483s ]
SELECT * FROM `cmf_theme_file` WHERE `theme` = 'default' AND `file` = 'public/config' LIMIT 1 [ RunTime:0.000462s ]
UPDATE `cmf_theme_file` SET `theme` = 'default' , `action` = 'public/Config' , `file` = 'public/config' , `name` = '模板全局配置' , `more` = '{\"vars\":{\"enable_mobile\":{\"title\":\"\\u624b\\u673a\\u6ce8\\u518c\",\"type\":\"select\",\"value\":1,\"options\":{\"1\":\"\\u5f00\\u542f\",\"0\":\"\\u5173\\u95ed\"},\"tip\":\"\"}},\"widgets_blocks\":{\"public\":{\"title\":\"\\u5168\\u5c40\",\"widgets\":{\"top_nav\":{\"title\":\"\\u9876\\u90e8\\u5bfc\\u822a\",\"name\":\"nav\",\"display\":\"1\",\"version\":\"1.0.0\",\"action\":\"\",\"vars\":{\"company_name\":\"ThinkCMF\",\"nav_id\":\"\"}},\"footer\":{\"title\":\"\\u5e95\\u90e8\",\"name\":\"footer\",\"display\":\"1\",\"version\":\"1.0.0\",\"action\":\"\",\"vars\":[]}}}}}' , `config_more` = '{\"vars\":{\"enable_mobile\":{\"title\":\"\\u624b\\u673a\\u6ce8\\u518c\",\"type\":\"select\",\"value\":1,\"options\":{\"1\":\"\\u5f00\\u542f\",\"0\":\"\\u5173\\u95ed\"},\"tip\":\"\"}},\"widgets_blocks\":{\"public\":{\"title\":\"\\u5168\\u5c40\",\"widgets\":{\"top_nav\":{\"title\":\"\\u9876\\u90e8\\u5bfc\\u822a\",\"name\":\"nav\",\"display\":\"1\"},\"footer\":{\"title\":\"\\u5e95\\u90e8\",\"name\":\"footer\",\"display\":\"1\"}}}}}' , `description` = '模板全局配置文件' , `is_public` = 1 , `list_order` = '0' WHERE `theme` = 'default' AND `file` = 'public/config' [ RunTime:0.000432s ]
SELECT * FROM `cmf_theme_file` WHERE `theme` = 'default' AND `file` = 'public/nav' LIMIT 1 [ RunTime:0.000493s ]
UPDATE `cmf_theme_file` SET `theme` = 'default' , `action` = 'public/Nav' , `file` = 'public/nav' , `name` = '导航条' , `more` = '{\"vars\":{\"company_name\":{\"title\":\"\\u516c\\u53f8\\u540d\\u79f0\",\"name\":\"company_name\",\"value\":\"ThinkCMF\",\"type\":\"text\",\"tip\":\"\",\"rule\":[]}}}' , `config_more` = '{\"vars\":{\"company_name\":{\"title\":\"\\u516c\\u53f8\\u540d\\u79f0\",\"name\":\"company_name\",\"value\":\"ThinkCMF\",\"type\":\"text\",\"tip\":\"\",\"rule\":[]}}}' , `description` = '导航条模板文件' , `is_public` = 1 , `list_order` = '1' WHERE `theme` = 'default' AND `file` = 'public/nav' [ RunTime:0.000482s ]
SELECT * FROM `cmf_theme_file` WHERE `theme` = 'default' [ RunTime:0.000689s ]
SHOW FULL COLUMNS FROM `cmf_theme` [ RunTime:0.001235s ]
UPDATE `cmf_theme` SET `name` = 'default' , `version` = '8.0.0' , `demo_url` = 'http://demo.thinkcmf.com' , `author` = 'ThinkCMF' , `lang` = 'zh-cn' , `author_url` = 'http://www.thinkcmf.com' , `keywords` = 'ThinkCMF默认模板' , `description` = 'ThinkCMF默认模板' WHERE `theme` = 'default' [ RunTime:0.000477s ]
SELECT `more`,`file`,`id`,`is_public` FROM `cmf_theme_file` WHERE `theme` = 'default' AND ( `is_public` = 1 OR `file` = 'matrix/standard/standard2_view' ) ORDER BY `is_public` DESC [ RunTime:0.000558s ]
0.066208s