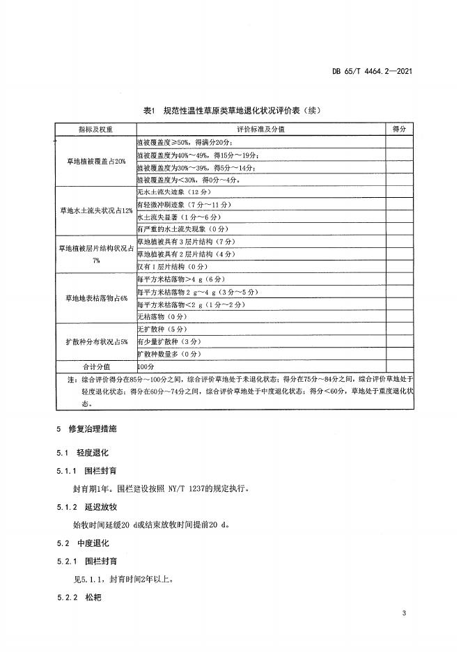
DB65/T 4464.2-2021 退化草地修复治理技术规范 第2部分:温性草原类

地方标准 新疆维吾尔自治区 推荐性 现行

标准状态

  1. 发布于:
  2. 实施于:
  3. 废止

标准详情

  • 中国标准分类号:B40
    国际标准分类号:65.020
  • 提出单位:新疆畜牧科学院草业研究所
    主管部门:新疆维吾尔自治区市场监督管理局

起草单位

新疆畜牧科学院草业研究所

起草人

阿斯娅·曼力克、贠静、曹宏斌、朱昊、巴哈迪力·巴图尔、阿依丁·热西坦、陈强、阿仁、李晓敏、茹克亚·萨吾提、张荟荟、热娜·阿布都克力木、艾尼玩·艾买尔、冯立涛、徐俊、杜保军、古丽努尔、穆尼热·买买提、赛里克·胡麻什、呼娃提·巴合提别克、马英林、郑逢令、熊玲、樵华彬、穆合塔尔·热合曼、范天文、李荣才、秦明

标准预览(共 6 页)

* 特别声明:资源收集自网络或用户上传,版权归原作者所有,如侵犯您的权益,请联系我们处理。

  • 标准质量:
  • 文档详情:678.59KB 共 6 页 PDF

标准搜索