电子标准网
首页
国家标准
行业标准
地方标准
团体标准
设计图集
协会标准
企业标准
国际标准
联盟标准
其他标准
登录 / 注册
昵称:
(ID:)
充值金币
我的收藏
浏览历史
[ 退出登录 ]
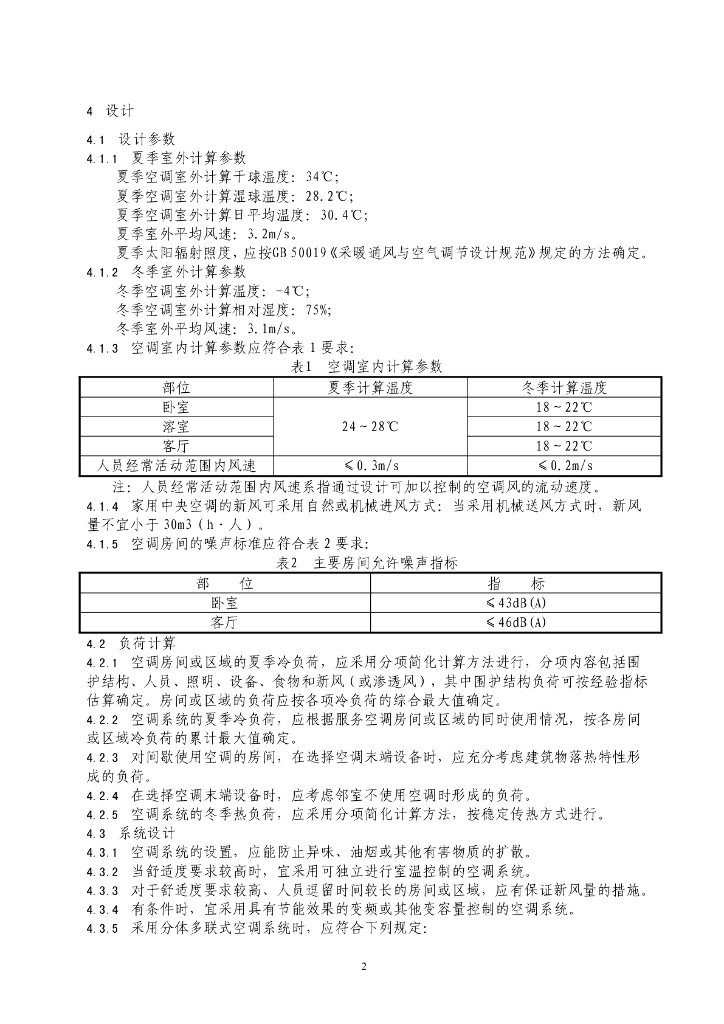
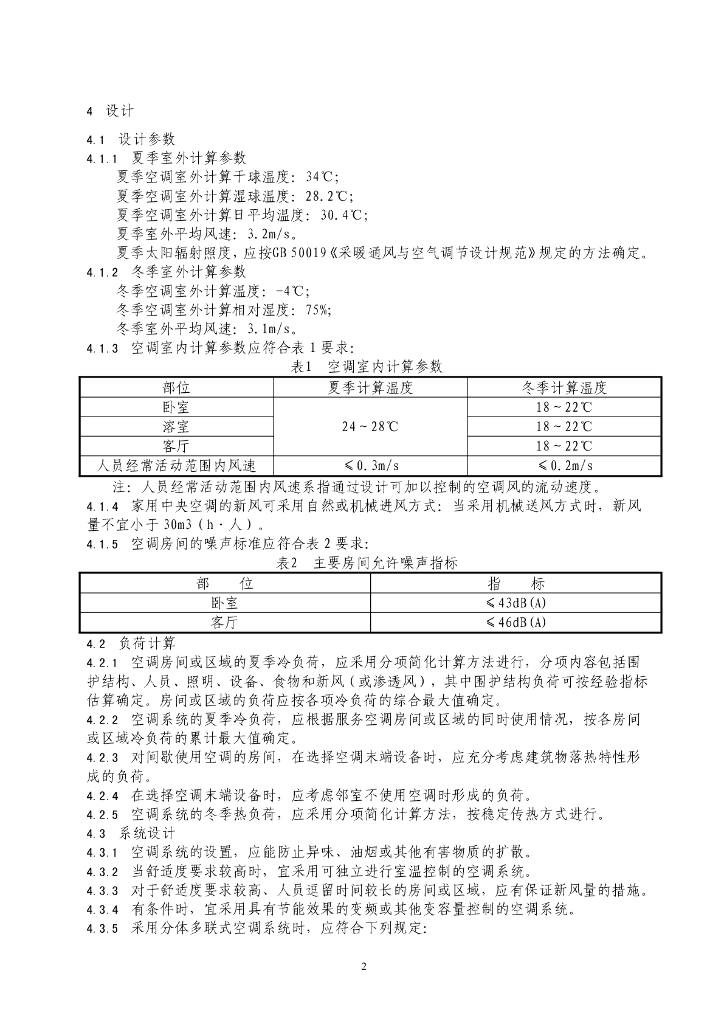
T/NHAIA 003-2016 家用中央空调工程技术规程
团体标准
强制性
现行
收藏
报错
标准状态
发布于:
2016-09-09
实施于:
1970-01-01
废止
标准详情
中国标准分类号:
L01
国际标准分类号:
03.080.30
团体名称:
宁夏家电行业协会
标准预览(共 19 页)
5页 预览结束,下载 19页 完整版
* 特别声明:资源收集自网络或用户上传,版权归原作者所有,如侵犯您的权益,请联系我们处理。
标准网本地下载
标准质量:
文档详情:
391.51KB 共 19 页 PDF
分享到
标准搜索
搜索帮助
搜索
相关推荐
1
T/CECS 10287-2023 钢筋连接用直螺纹套筒
2
T/CECS 10314-2023 混凝土气密剂
3
T/ISC 0030-2023 高价值专利评价方法
4
T/ZGXK 006-2023 数字乡村发展评价指南
5
T/ISC 0015-2022 金融场景隐私保护计算平台 技术要求与测试方法
6
T/ISC 0016-2023 基于区块链的机构电子签约系统要求
7
T/ISC 0028-2023 人工智能模型风险管理能力成熟度模型
8
T/ISC 0019-2022 移动互联网应用程序(App)数据安全测评服务机构能力评定准则
9
T/ISC 0024-2023 信息通信及互联网行业企业合规师职业 技术技能要求
10
T/ZGXK 007-2023 数字乡村服务企业星级评价规范
11
T/ISC 0026-2023 数字乡村服务企业星级评价规范
12
T/ISC 0027-2023 互联网企业未成年人网络保护管理体系
13
T/ISC 0014-2021 互联网企业投诉处理优质服务规范
14
T/ISC 0021-2022 电子竞技赛事导播能力要求
15
T/ISC 0020-2022 词典笔功能要求及测试方法
电子标准网提示:
你剩余金币:
0
, 下载文档需要支付金币:
0
请通过以下途径获取金币,完成下载:
更多充值
金币充值下载
VIP免费下载
正在加载二维码...
微信扫码支付
50元, 50金币,
100元,150金币,赠送 50个金币
300元,600金币,赠送300个金币
500元,1200金币,赠送700个金币
800元,2000金币,赠送1200个金币
正在加载二维码...
微信扫码支付
50元,高级月度VIP,免金币下载10篇/天
118元,高级季度VIP,免金币下载10篇/天
168元,高级半年VIP,免金币下载10篇/天
98元,钻石月度VIP,免金币下载30篇/天
238元,钻石季度VIP,免金币下载30篇/天