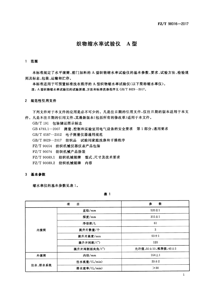
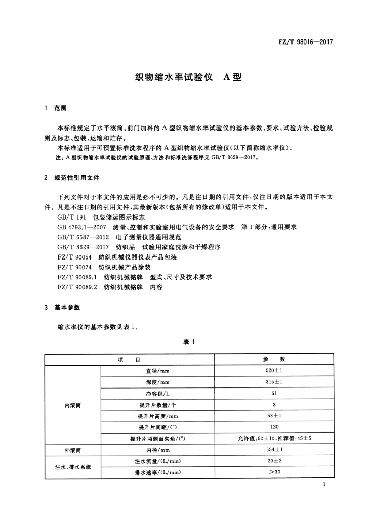
FZ/T 98016-2017 织物缩水率试验仪A型

行业标准 推荐性 现行

标准状态

  1. 发布于:
  2. 实施于:
  3. 废止

标准详情

  • 中国标准分类号:W98
    国际标准分类号:59.120.99
  • 提出单位:
    主管部门:工业和信息化部

起草单位

南通宏大实验仪器有限公司、南通三思机电科技有限公司、温州市大荣纺织仪器有限公司等

起草人

钱士新、杨卫林、段凤丽等

标准预览(共 8 页)

* 特别声明:资源收集自网络或用户上传,版权归原作者所有,如侵犯您的权益,请联系我们处理。

  • 标准质量:
  • 文档详情:2.44MB 共 8 页 PDF

标准搜索