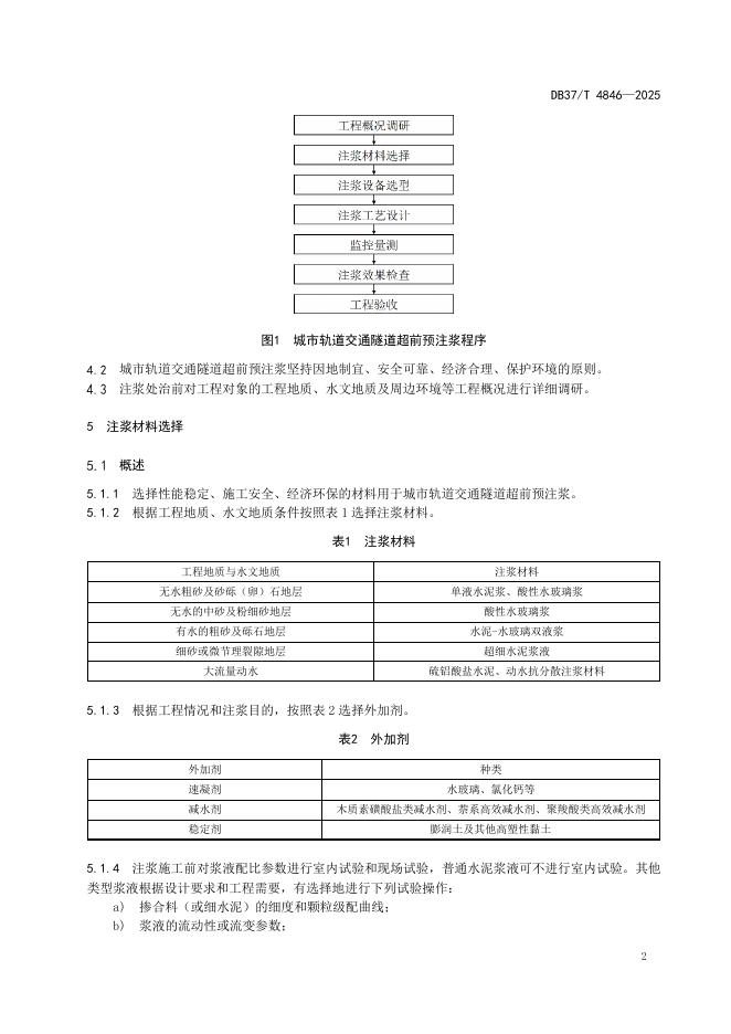
DB37/T 4846-2025 城市轨道交通隧道超前预注浆技术规程

地方标准 山东省 推荐性 现行

标准状态

  1. 发布于:
  2. 实施于:
  3. 废止

标准详情

  • 中国标准分类号:P21
    国际标准分类号:93.060
  • 提出单位:
    主管部门:山东省交通运输标准化技术委员会

起草单位

山东大学,山东建筑大学、青岛地铁集团有限公司、济南轨道交通集团有限公司、徐州地铁集团有限公司、中铁科学研究院有限公司、山东科技大学、中国石油大学(华东)、山东交通学院、山东产业技术研究院投资发展有限公司、浙江华东工程建设管理有限公司、中交路桥建设有限公司

起草人

张庆松、刘人太、李术才、冯啸、迟建平、李克先、殷险峰、刘衍凯、白继文、朱明、李刚(青岛地铁集团有限公司)、杨绍玉、李善明、胡新涛、陈孟军、李虎、朱明勇、李志明、张世杰、韩伟伟、张连震、王洪波、李志鹏、王慧涛、翟国印、殷胜光、黄雷、李刚(中交路桥建设有限公司)、马建雷、苗双平、陈新、朱志敬、马晨阳、田嘉伟、种记鑫、石锦江、李良浩

标准预览(共 17 页)

* 特别声明:资源收集自网络或用户上传,版权归原作者所有,如侵犯您的权益,请联系我们处理。

  • 标准质量:
  • 文档详情:801.9KB 共 17 页 PDF

标准搜索