JT/T 1490-2024 港口安全设施分类与编码

行业标准 推荐性 现行

标准状态

  1. 发布于:
  2. 实施于:
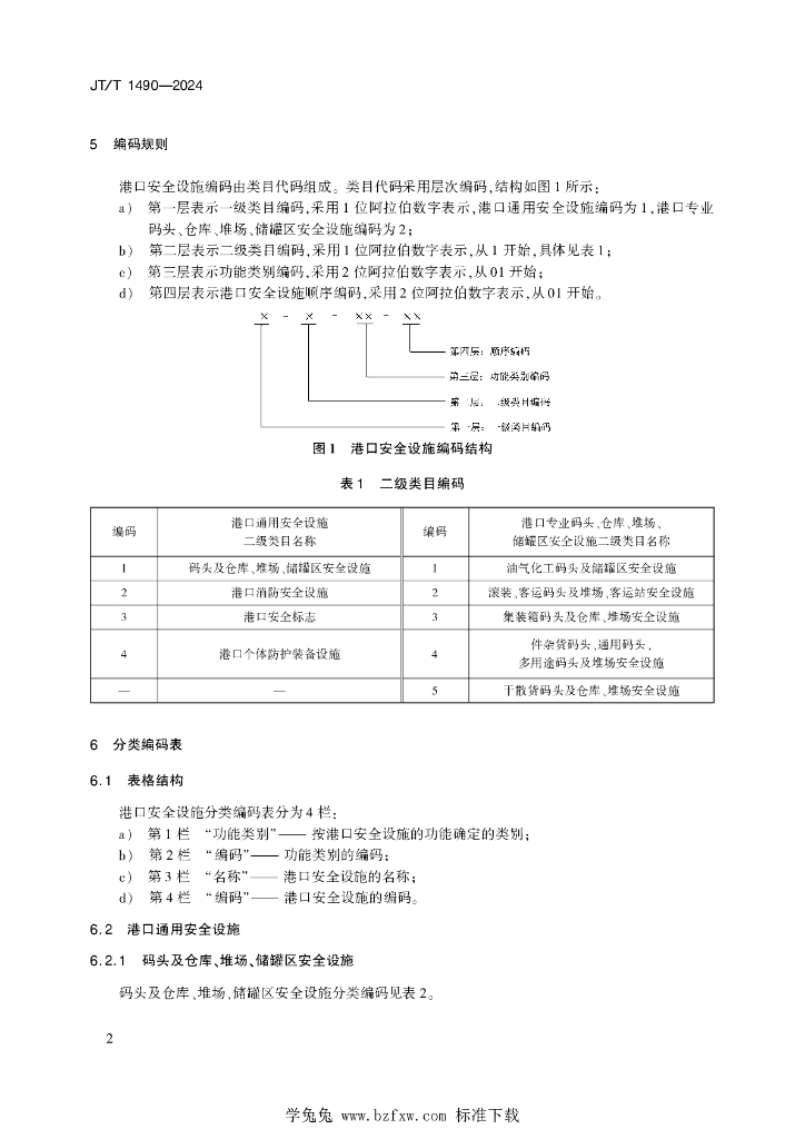
  3. 废止

标准详情

  • 中国标准分类号:R09
    国际标准分类号:03.220.40
  • 提出单位:全国港口标准化技术委员会
    主管部门:交通运输部

起草单位

交通运输部水运科学研究所

起草人

程霄楠、卢新、夏庆、吴华玲、唐海齐、孙国庆、占小跳、谢天生、刘智刚、周亚飞

标准预览(共 39 页)

* 特别声明:资源收集自网络或用户上传,版权归原作者所有,如侵犯您的权益,请联系我们处理。

  • 标准质量:
  • 文档详情:595.42KB 共 39 页 PDF

标准搜索