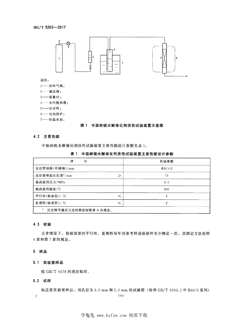
HG/T 5203-2017 中温耐硫水解催化剂活性试验方法

行业标准 推荐性 现行

标准状态

  1. 发布于:
  2. 实施于:
  3. 废止

标准详情

  • 中国标准分类号:G74
    国际标准分类号:71.100.99
  • 提出单位:
    主管部门:工业和信息化部

起草单位

华烁科技股份有限公司、北京三聚环保新材料股份有限公司、西安向阳航天材料股份有限公司等

起草人

雷军、刘华伟、赵文涛 等

标准预览(共 11 页)

* 特别声明:资源收集自网络或用户上传,版权归原作者所有,如侵犯您的权益,请联系我们处理。

  • 标准质量:
  • 文档详情:3.4MB 共 11 页 PDF

标准搜索