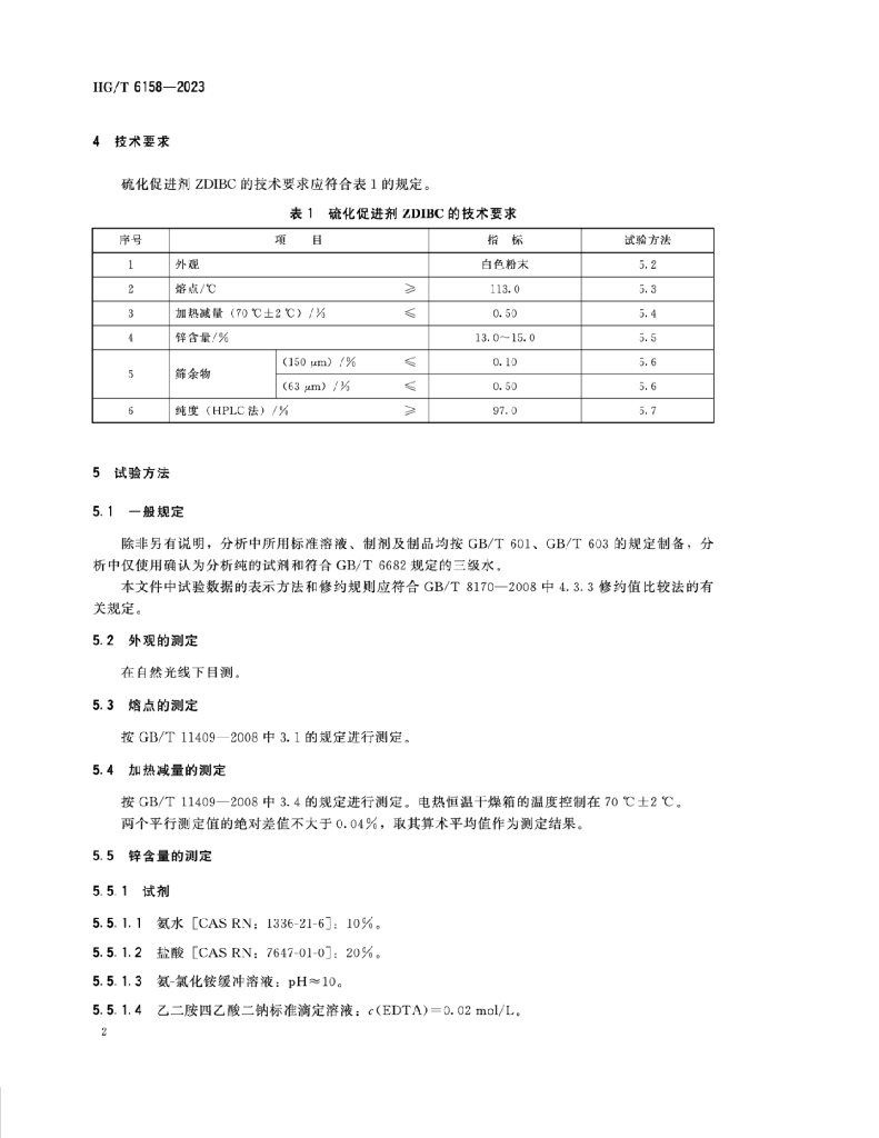
HG/T 6158-2023 硫化促进剂 二异丁基二硫代氨基甲酸锌 (ZDIBC)

行业标准 推荐性 现行

标准状态

  1. 发布于:
  2. 实施于:
  3. 废止

标准详情

  • 中国标准分类号:G71
    国际标准分类号:83.040.20
  • 提出单位:中国石油和化学工业联合会
    主管部门:全国橡胶与橡胶制品标准化技术委员会化学助剂分技术委员会

起草单位

蔚林新材料科技股份有限公司、鹤壁元昊化工有限公司、宁波艾克姆新材料股份有限公司、山西省化工研究所(有限公司)

起草人

屈军伟、齐晓龙、安方、刘永杰、李红良、易玉琼

标准预览(共 9 页)

* 特别声明:资源收集自网络或用户上传,版权归原作者所有,如侵犯您的权益,请联系我们处理。

  • 标准质量:
  • 文档详情:1.37MB 共 9 页 PDF

标准搜索