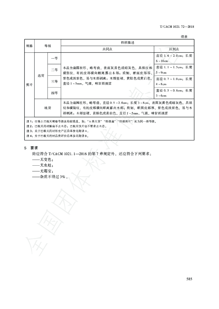
T/CACM 1021.72-2018 中药材商品规格等级 巴戟天

团体标准 强制性 现行

标准状态

  1. 发布于:
  2. 实施于:
  3. 废止

标准详情

  • 中国标准分类号:
    国际标准分类号:11.120.10
  • 团体名称:中华中医药学会

起草单位

中国医学科学院药用植物研究所海南分所、 中国中医科学院中药资源中心、 中药 材商品规格等级标准研究技术中心、 北京中研百草检测认证有限公司。

起草人

刘洋洋、 冯剑、 陈德力、 王德立、 黄璐琦、 郭兰萍、 詹志来。

标准预览(共 8 页)

* 特别声明:资源收集自网络或用户上传,版权归原作者所有,如侵犯您的权益,请联系我们处理。

  • 标准质量:
  • 文档详情:367.94KB 共 8 页 PDF

标准搜索