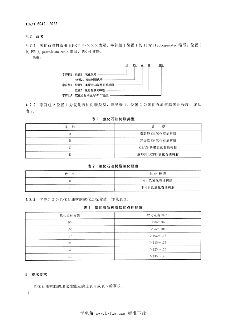
HG/T 6042-2022 氢化石油树脂

行业标准 推荐性 现行

标准状态

  1. 发布于:
  2. 实施于:
  3. 废止

标准详情

  • 中国标准分类号:G30
    国际标准分类号:83.080.20
  • 提出单位:中国石油和化学工业联合会
    主管部门:工业和信息化部

起草单位

淄博鲁华泓锦新材料股份有限公司、恒河材料科技股份有限公司、宁波金海晨光化学股份有限公司、山东莘县瑞森石油树脂有限公司、中蓝晨光成都检测技术有限公司、中广核俊尔(浙江)新材料有限公司、东莞市合标科技有限公司、山东齐隆化工股份有限公司、中国石油天然气股份有限公司兰州石化分公司

起草人

赵新来、孙向东、冯秋、赵自勋、张彦君、陈智文、屈兴合、范立业、王慧、王新武、崔志华

标准预览(共 11 页)

* 特别声明:资源收集自网络或用户上传,版权归原作者所有,如侵犯您的权益,请联系我们处理。

  • 标准质量:
  • 文档详情:2.57MB 共 11 页 PDF

标准搜索