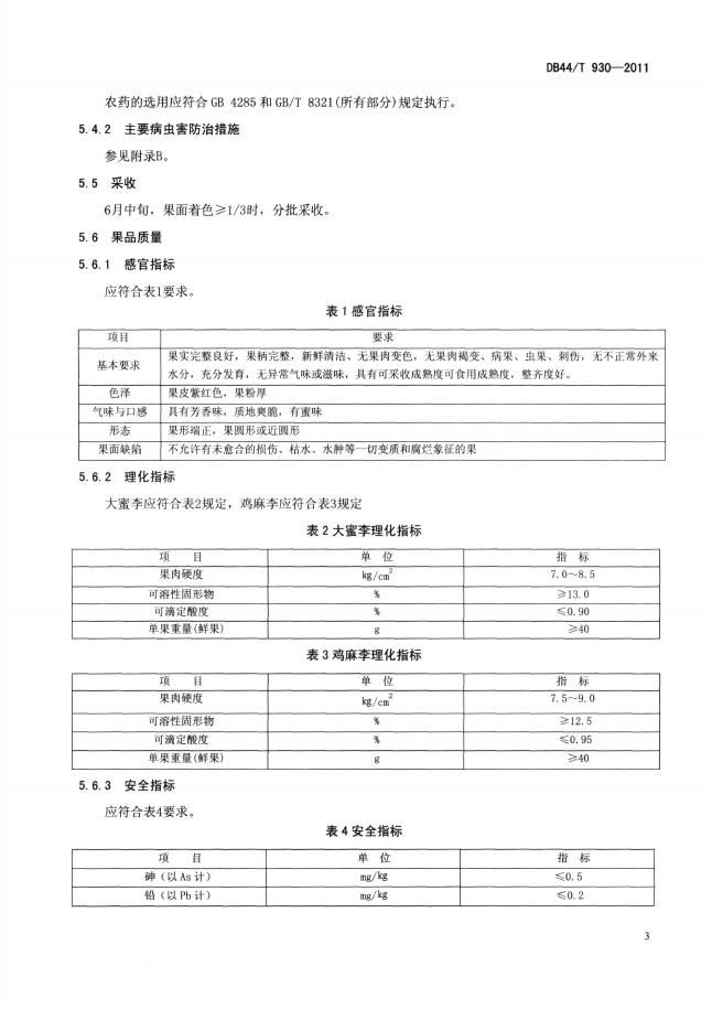
DB44/T 930-2011 地理标志产品 三华李

地方标准 广东省 推荐性 已废止

标准状态

  1. 发布于:
  2. 实施于:
  3. 废止于:

标准详情

  • 中国标准分类号:B05
    国际标准分类号:65.020.010
  • 提出单位:
    主管部门:广东省质量技术监督局

起草单位

广东省翁源县标准化协会、广东省翁源县质量技术监督局、广东省翁源县农业局、广东省韶关市质量计量监督检测所

起草人

雷志平、徐远雄、杨荣陆、赖宏玉、张利添、谢民生

标准预览(共 9 页)

* 特别声明:资源收集自网络或用户上传,版权归原作者所有,如侵犯您的权益,请联系我们处理。

  • 标准质量:
  • 文档详情:2.56MB 共 9 页 PDF

标准搜索