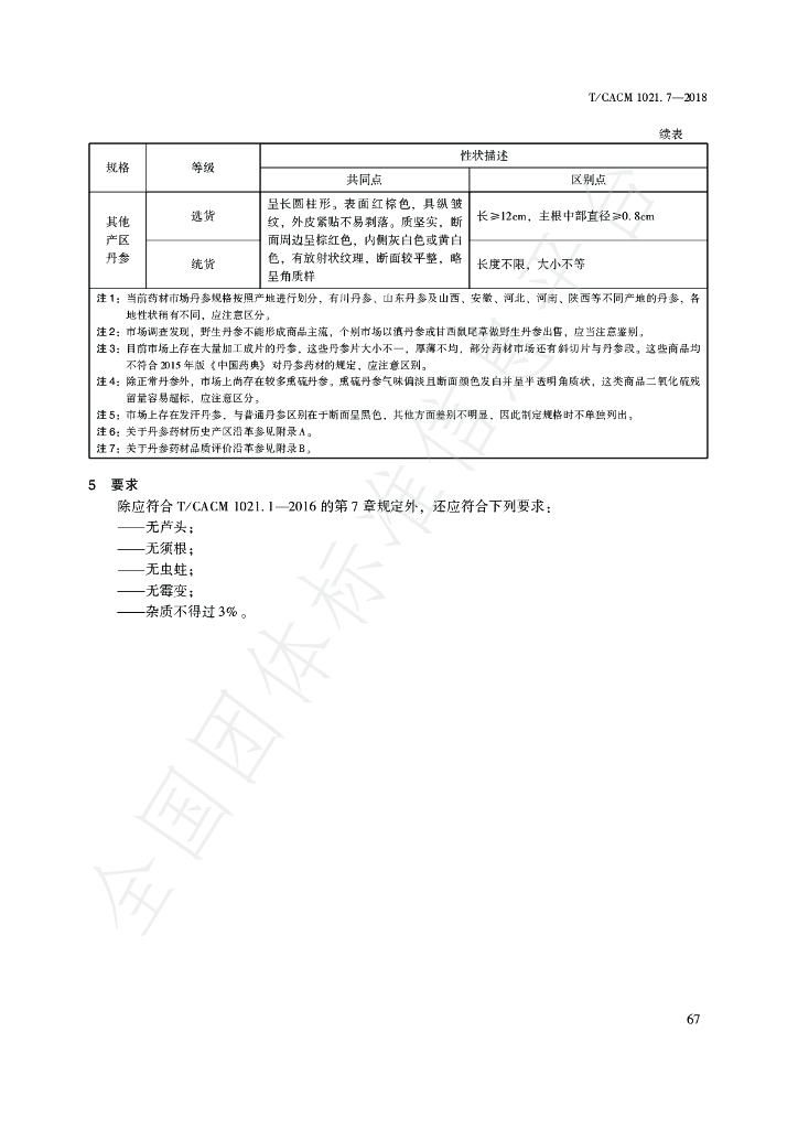
T/CACM 1021.7-2018 中药材商品规格等级 丹参

团体标准 强制性 现行

标准状态

  1. 发布于:
  2. 实施于:
  3. 废止

标准详情

  • 中国标准分类号:
    国际标准分类号:11.120.10
  • 团体名称:中华中医药学会

起草单位

:中国中医科学院中药资源中心、广西壮族自治区药用植物园、四川省中医药科学 院、陕西中医药大学、山东省分析测试中心、内蒙古自治区中医药研究所、湖北中医药大学、昆明理工 大学、广东药科大学、福建农林大学、北京联合大学、贵阳中医学院、重庆市中药研究院、南京中医药 大学、皖西学院、江西省中医药研究院、新疆维吾尔自治区中药民族药研究所、中药材商品规格等级标 准研究技术中心、吉林华康药业股份有限公司、陕西步长制药有限公司、北京中研百草检测认证有限公司

起草人

詹志来、方文韬、邓爱平、黄璐琦、郭兰萍、马存德、任振丽、缪剑华、唐志 书、李青苗、王晓、李旻辉、刘大会、张元、崔秀明、杨全、张重义、周涛、李隆云、严辉、韩邦兴、 虞金宝、徐建国、李慧、朱继忠、张燕、王铁霖、何雅莉

标准预览(共 8 页)

* 特别声明:资源收集自网络或用户上传,版权归原作者所有,如侵犯您的权益,请联系我们处理。

  • 标准质量:
  • 文档详情:397.5KB 共 8 页 PDF

标准搜索