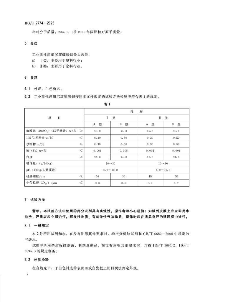
HG/T 2774-2023 工业改性超细沉淀硫酸钡

行业标准 推荐性 现行

标准状态

  1. 发布于:
  2. 实施于:
  3. 废止

标准详情

  • 中国标准分类号:G12
    国际标准分类号:71.060.50
  • 代替标准:HG/T 2774-2009
  • 提出单位:中国石油和化学工业联合会
    主管部门:全国化学标准化技术委员会无机化工分技术委员会

起草单位

竹山县秦巴钡盐有限公司、云浮鸿志新材料有限公司、河津市宏基粉体材料有限公司、陕西富化化工有限责任公司、青岛红星化工集团有限责任公司、深州嘉信化工有限责任公司、南风化工钡盐(运城)有限公司、中海油天津化工研究设计院有限公司

起草人

彭斌、方利浮、乔振桀、白俊生、贾道峰、孙跃宗、张铁柱、赵国旗、方畅、高园、常广西、孙跃荣、董峰、李霞

标准预览(共 10 页)

* 特别声明:资源收集自网络或用户上传,版权归原作者所有,如侵犯您的权益,请联系我们处理。

  • 标准质量:
  • 文档详情:1.97MB 共 10 页 PDF

标准搜索