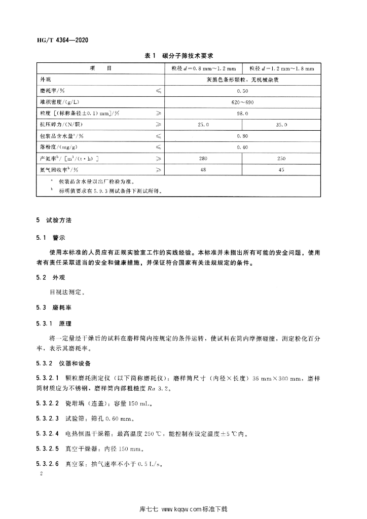
HG/T 4364-2020 代替HG/T 4364-2012 碳分子筛

行业标准 推荐性 现行

标准状态

  1. 发布于:
  2. 实施于:
  3. 废止

标准详情

  • 中国标准分类号:G85
    国际标准分类号:71.100.99
  • 代替标准:HG/T 4364-2012
  • 提出单位:
    主管部门:工业和信息化部

起草单位

上海化工研究院有限公司、湖州强大分子筛科技有限公司、湖州南浔展辉分子筛厂等

起草人

吴俊晟、张佳、王鹏飞 等

标准预览(共 12 页)

* 特别声明:资源收集自网络或用户上传,版权归原作者所有,如侵犯您的权益,请联系我们处理。

  • 标准质量:
  • 文档详情:11.46MB 共 12 页 PDF

标准搜索