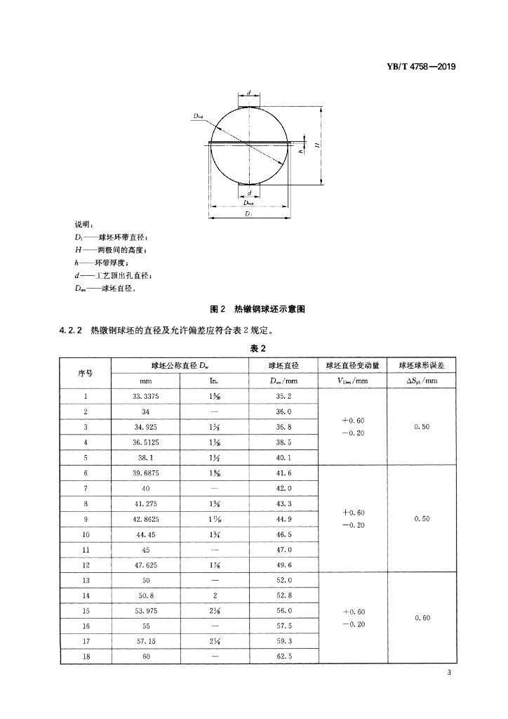
YB/T 4758-2019 高碳铬轴承钢球坯

行业标准 推荐性 现行

标准状态

  1. 发布于:
  2. 实施于:
  3. 废止

标准详情

  • 中国标准分类号:H43
    国际标准分类号:77.140.70
  • 提出单位:
    主管部门:工业和信息化部

起草单位

常熟市龙腾滚动体制造有限公司、常熟市龙腾特种钢有限公司、龙口市新达精密滚动体有限公司、冶金工业信息标准研究院

起草人

徐胜、季丙元、任志刚、高志强、徐利、王玉婕、柳春辉、王昌华、陈凯、刘宝石、吴雨凡

标准预览(共 9 页)

* 特别声明:资源收集自网络或用户上传,版权归原作者所有,如侵犯您的权益,请联系我们处理。

  • 标准质量:
  • 文档详情:13.51MB 共 9 页 PDF

标准搜索