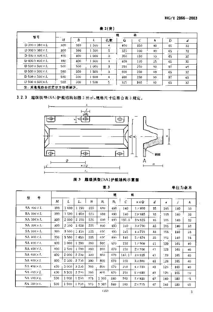
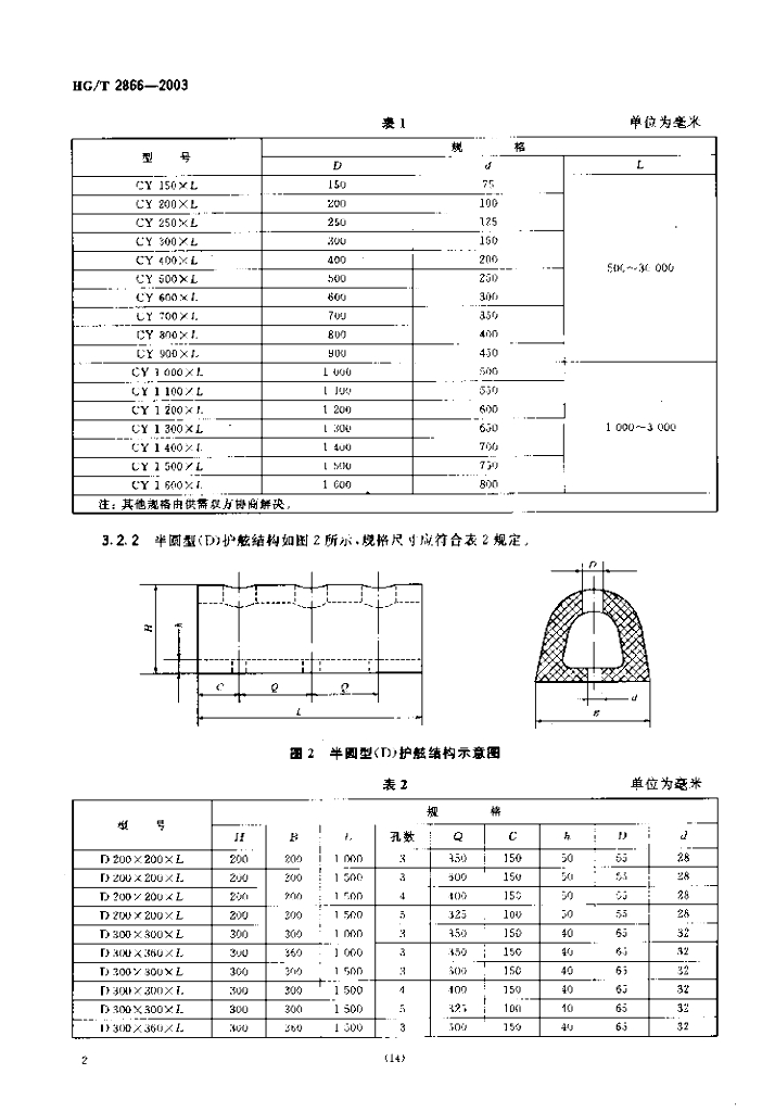
HG/T 2866-2003 橡胶护舷

行业标准 推荐性 已废止

标准状态

  1. 发布于:
  2. 实施于:
  3. 已废止

标准详情

  • 中国标准分类号:G47
    国际标准分类号:83.140.99
  • 代替标准:HG/T 2866-1997;HG/T 3329-1989
  • 提出单位:
    主管部门:国家发展和改革委员会

起草单位

全国橡胶与橡胶制品标准化技术委员会橡胶杂品芬技术委员会、沈阳普利司通有限公司等

起草人

曾濛、马连广

标准预览(共 14 页)

* 特别声明:资源收集自网络或用户上传,版权归原作者所有,如侵犯您的权益,请联系我们处理。

  • 标准质量:
  • 文档详情:316.83KB 共 14 页 PDF

标准搜索