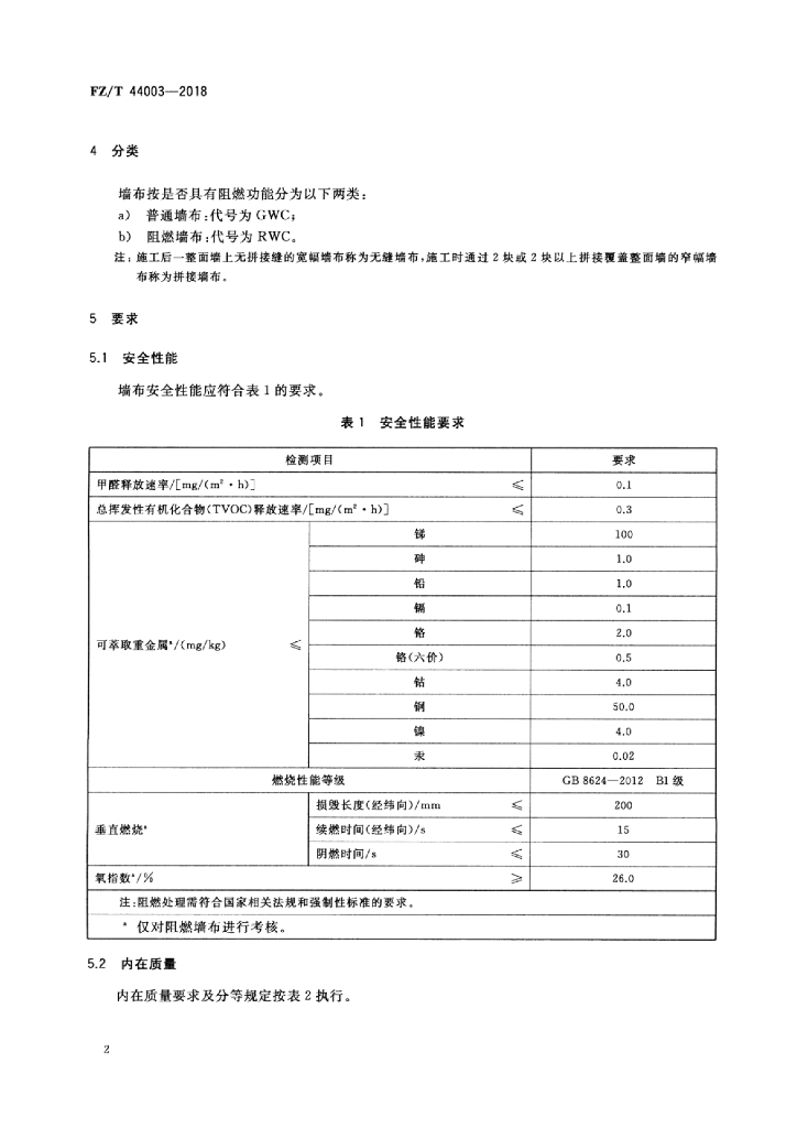
FZ/T 44003-2018 布

行业标准 推荐性 现行

标准状态

  1. 发布于:
  2. 实施于:
  3. 废止

标准详情

  • 中国标准分类号:W43
    国际标准分类号:59.080.30
  • 提出单位:
    主管部门:工业和信息化部

起草单位

中国建材检验认证集团股份有限公司、公安部四川消防研究所、中纺标检验认证股份有限公司等

起草人

梅一飞、丁建军、张玉辉等

标准预览(共 11 页)

* 特别声明:资源收集自网络或用户上传,版权归原作者所有,如侵犯您的权益,请联系我们处理。

  • 标准质量:
  • 文档详情:2.36MB 共 11 页 PDF

标准搜索