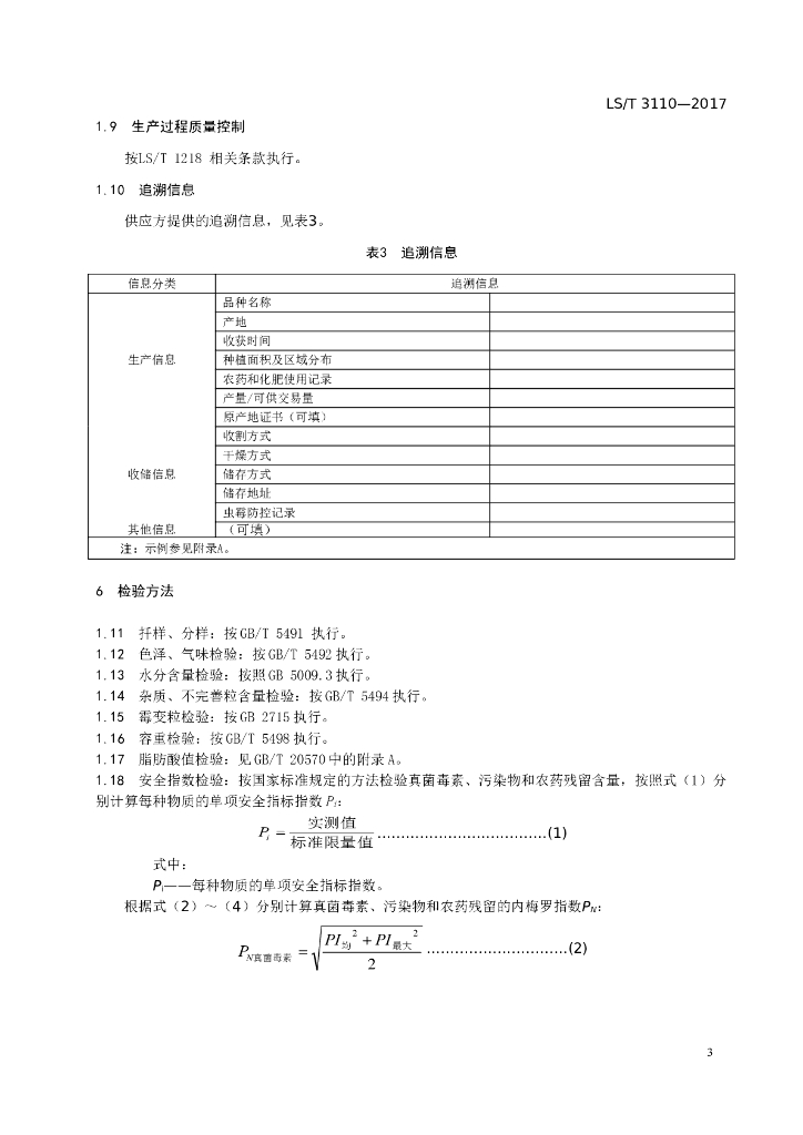
LS/T 3110-2017 中国好粮油 食用玉米

行业标准 推荐性 废止

标准状态

  1. 发布于:
  2. 实施于:
  3. 废止

标准详情

  • 中国标准分类号:B22
    国际标准分类号:67.060
  • 提出单位:
    主管部门:全国粮油标准化技术委员会(SAC/TC 270)

起草单位

国家粮食局科学研究院、吉林省粮油卫生检验监测站、黑龙江省粮油卫生检验监测中心等

起草人

孙辉、段晓亮、刘冰 等

标准预览(共 8 页)

* 特别声明:资源收集自网络或用户上传,版权归原作者所有,如侵犯您的权益,请联系我们处理。

  • 标准质量:
  • 文档详情:157.5KB 共 8 页 DOC

标准搜索