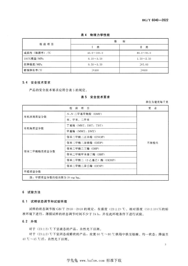
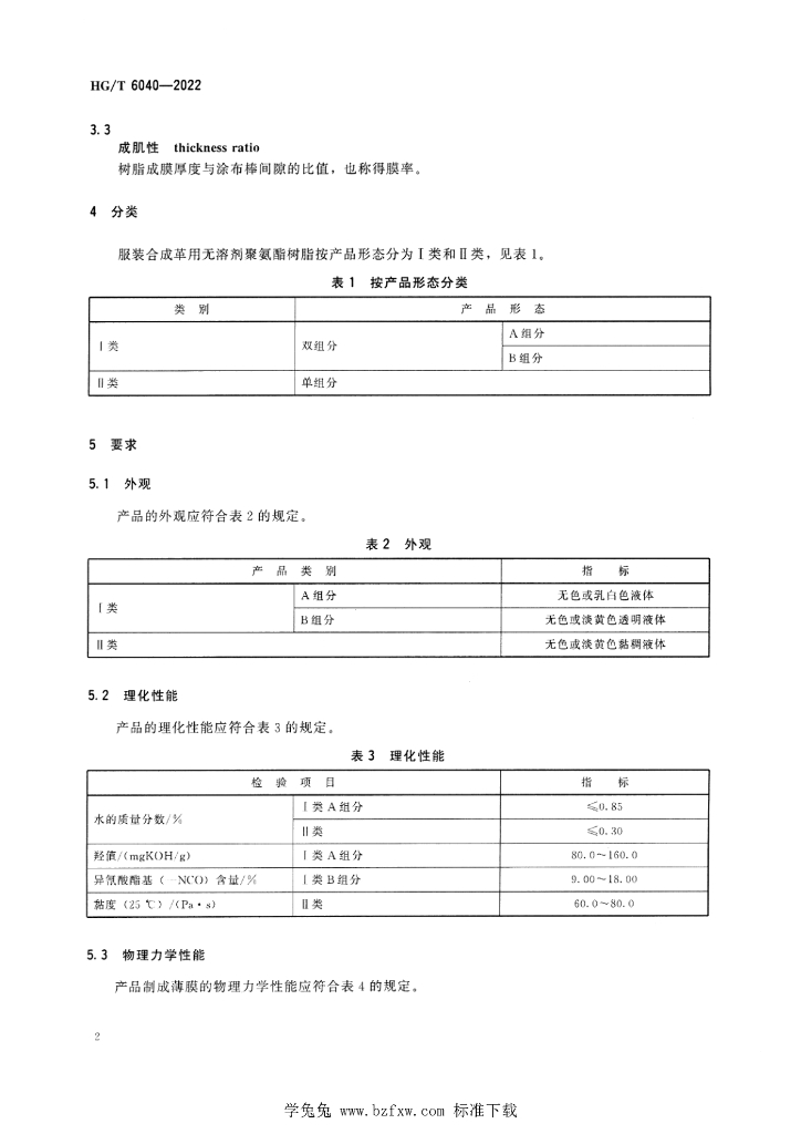
HG/T 6040-2022 服装合成革用无溶剂聚氨酯树脂

行业标准 推荐性 现行

标准状态

  1. 发布于:
  2. 实施于:
  3. 废止

标准详情

  • 中国标准分类号:G32
    国际标准分类号:83.040
  • 提出单位:中国石油和化学工业联合会
    主管部门:工业和信息化部

起草单位

浙江华峰合成树脂有限公司、旭川化学(苏州)有限公司、浙江禾欣科技有限公司、福建元发树脂有限公司、黎明化工研究设计院有限责任公司

起草人

张初银、金美金、石磊、张大华、马元明、王怡怡、蒋红梅、史淑慧、朱海军

标准预览(共 12 页)

* 特别声明:资源收集自网络或用户上传,版权归原作者所有,如侵犯您的权益,请联系我们处理。

  • 标准质量:
  • 文档详情:2.91MB 共 12 页 PDF

标准搜索