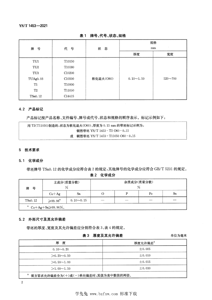
YS/T 1453-2021 压延铜箔带坯

行业标准 推荐性 现行

标准状态

  1. 发布于:
  2. 实施于:
  3. 废止

标准详情

  • 中国标准分类号:H62
    国际标准分类号:77.150.30
  • 提出单位:全国有色金属标准化技术委员会
    主管部门:工业和信息化部

起草单位

中铜华中铜业有限公司、铜陵有色金属集团股份有限公司金威铜业分公司、灵宝金源朝辉铜业有限公司、中铝材料应用研究院有限公司、山东天和压延铜箔有限公司、中色奥博特铜铝业有限公司

起草人

董振兴、何峰、赵健、张武、曾丽卿、刘清兰、杨江波、焦涛、李荣平、向朝建、陈忠平、常保平、薛方忠、王亚超、田原晨

标准预览(共 9 页)

* 特别声明:资源收集自网络或用户上传,版权归原作者所有,如侵犯您的权益,请联系我们处理。

  • 标准质量:
  • 文档详情:2.31MB 共 9 页 PDF

标准搜索