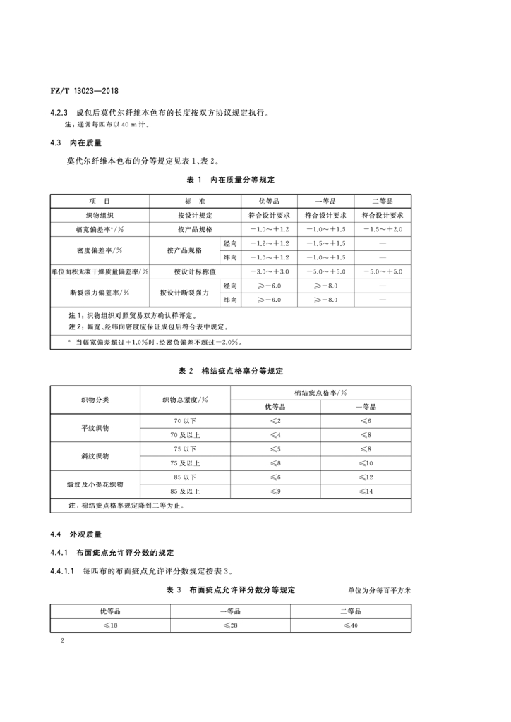
FZ/T 13023-2018 莫代尔纤维本色布

行业标准 推荐性 现行

标准状态

  1. 发布于:
  2. 实施于:
  3. 废止于:

标准详情

  • 中国标准分类号:W13
    国际标准分类号:59.080.30
  • 代替标准:FZ/T 13023-2009
  • 提出单位:
    主管部门:工业和信息化部

起草单位

淄博银仕来纺织有限公司、福建华峰新材料有限公司、广东省东莞市质量监督检测中心等

起草人

孙红春、章学文、方华玉 等

标准预览(共 11 页)

* 特别声明:资源收集自网络或用户上传,版权归原作者所有,如侵犯您的权益,请联系我们处理。

  • 标准质量:
  • 文档详情:1.32MB 共 11 页 PDF

标准搜索