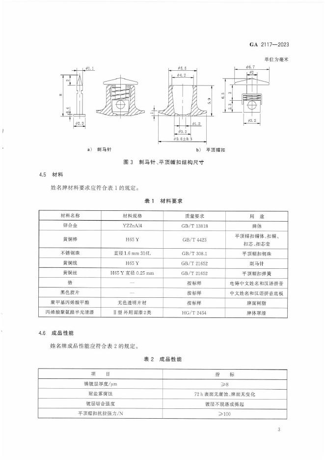
GA 2117-2023 警用服饰 姓名牌

行业标准 强制性 现行

标准状态

  1. 发布于:
  2. 实施于:
  3. 废止

标准详情

  • 中国标准分类号:A94
    国际标准分类号:61.040
  • 提出单位:公安部装备财务局
    主管部门:公安部

起草单位

公安部装备财务局、公安部特种警用装备质量监督检验中心、公安部第一研究所广东申汇实业有限公司、浙江星源服饰有限公司

起草人

旃广宇、王芸娜、孙非、高军、惠青、徐建斌

标准预览(共 16 页)

* 特别声明:资源收集自网络或用户上传,版权归原作者所有,如侵犯您的权益,请联系我们处理。

  • 标准质量:
  • 文档详情:19.47MB 共 16 页 PDF

标准搜索