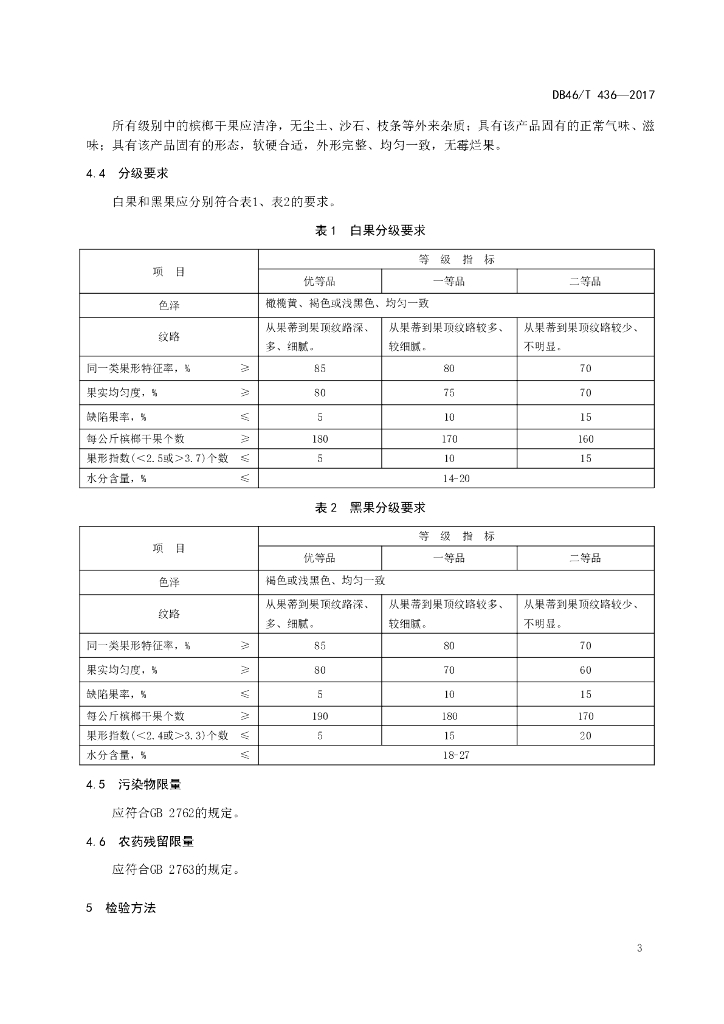
DB46/T 436-2017 槟榔干果等级规格

地方标准 海南省 推荐性 现行

标准状态

  1. 发布于:
  2. 实施于:
  3. 废止

标准详情

  • 中国标准分类号:B66
    国际标准分类号:65.020
  • 提出单位:
    主管部门:海南省质量技术监督局

起草单位

海南省农业科学院农产品加工设计研究所、海南省产品质量监督检验所、海南联合槟榔产业研究中心

起草人

窦志浩、常虹、谢辉、赵宏亮、方宗壮、段宙位、张容鹄、王世萍、何艾、吴毓炜

标准预览(共 8 页)

* 特别声明:资源收集自网络或用户上传,版权归原作者所有,如侵犯您的权益,请联系我们处理。

  • 标准质量:
  • 文档详情:215.79KB 共 8 页 PDF

标准搜索