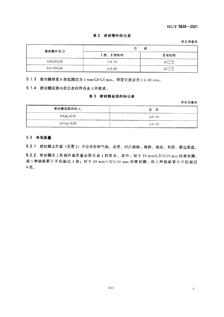
HG/T 5839-2021 气弹簧用密封圈

行业标准 推荐性 现行

标准状态

  1. 发布于:
  2. 实施于:
  3. 废止

标准详情

  • 中国标准分类号:G43
    国际标准分类号:83.140.50
  • 提出单位:
    主管部门:工业和信息化部

起草单位

安徽美安密封件股份有限公司、安徽工匠质量标准研究院有限公司、咸阳海龙密封复合材料有限公司等

起草人

杨贵生、丁昌东、祝海峰

标准预览(共 8 页)

* 特别声明:资源收集自网络或用户上传,版权归原作者所有,如侵犯您的权益,请联系我们处理。

  • 标准质量:
  • 文档详情:1.19MB 共 8 页 PDF

标准搜索