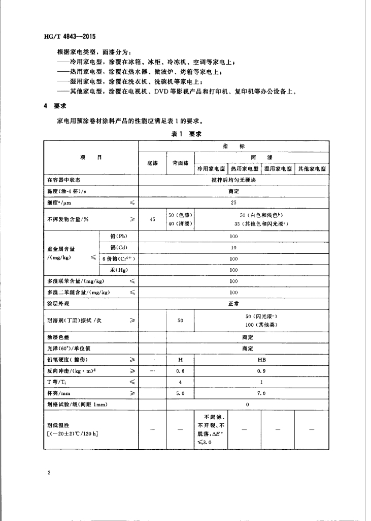
HG/T 4843-2015 家电用预涂卷材涂料

行业标准 推荐性 已废止

标准状态

  1. 发布于:
  2. 实施于:
  3. 已废止

标准详情

  • 中国标准分类号:G51
    国际标准分类号:87.040
  • 提出单位:
    主管部门:工业和信息化部

起草单位

中海油常州环保涂料有限公司、中航百慕新材料技术工程股份有限公司、浙江天女集团制漆有限公司等

起草人

黄宁、吴奎录、刘伟 等

标准预览(共 12 页)

* 特别声明:资源收集自网络或用户上传,版权归原作者所有,如侵犯您的权益,请联系我们处理。

  • 标准质量:
  • 文档详情:2.89MB 共 12 页 PDF

标准搜索