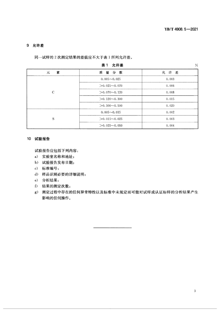
YB/T 4908.5-2021 钒铝合金 碳、硫含量的测定 高频感应燃烧-红外吸收法

行业标准 推荐性 现行

标准状态

  1. 发布于:
  2. 实施于:
  3. 废止

标准详情

  • 中国标准分类号:H11
    国际标准分类号:77.100
  • 提出单位:
    主管部门:工业和信息化部

起草单位

攀钢集团攀枝花钢铁研究院有限公司、攀钢集团攀枝花钢钒有限公司、攀钢集团钒钛资源股份有限公司、冶金工业信息标准研究院

起草人

钟华、刘凤君、成勇、郑小敏、钱裕祥、徐本平、卢春生

标准预览(共 5 页)

* 特别声明:资源收集自网络或用户上传,版权归原作者所有,如侵犯您的权益,请联系我们处理。

  • 标准质量:
  • 文档详情:1.91MB 共 5 页 PDF

标准搜索