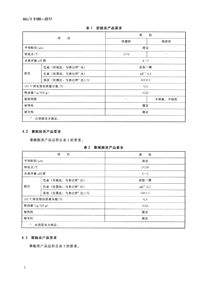
HG/T 5188-2017 日光型荧光颜料

行业标准 推荐性 现行

标准状态

  1. 发布于:
  2. 实施于:
  3. 废止

标准详情

  • 中国标准分类号:G54
    国际标准分类号:87.060.10
  • 提出单位:
    主管部门:工业和信息化部

起草单位

黄山加佳荧光材料有限公司、上海一品颜料有限公司、广东科迪新材料科技有限公司等

起草人

王济民、沈苏江、丁习虎 等

标准预览(共 11 页)

* 特别声明:资源收集自网络或用户上传,版权归原作者所有,如侵犯您的权益,请联系我们处理。

  • 标准质量:
  • 文档详情:2.77MB 共 11 页 PDF

标准搜索