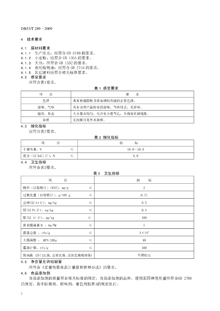
DB53/T 289-2009 风味面制小食品

地方标准 云南省 推荐性 已废止

标准状态

  1. 发布于:
  2. 实施于:
  3. 废止于:

标准详情

  • 中国标准分类号:X11
    国际标准分类号:67.180.20
  • 提出单位:
    主管部门:云南省质量技术监督局

起草单位

云南省产品质量监督检验研究院、昆明市官渡区志力食品厂、昆明市盘龙区丹扬食品厂

起草人

尹丽珠、于国忠、张学忠、李志力、欧阳敬元、马雪涛、冯雷、杨凡

标准预览(共 6 页)

* 特别声明:资源收集自网络或用户上传,版权归原作者所有,如侵犯您的权益,请联系我们处理。

  • 标准质量:
  • 文档详情:149.77KB 共 6 页 PDF

标准搜索