QB/T 2282-2023 双圆盘磨浆机

行业标准 推荐性 现行

标准状态

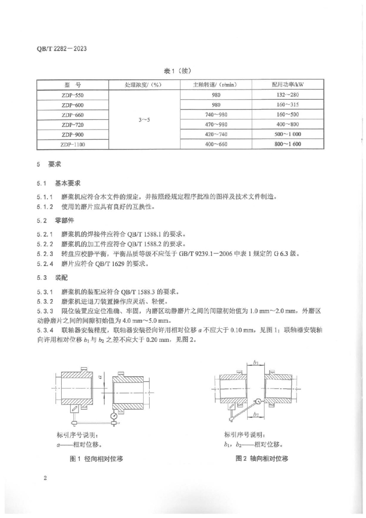
  1. 发布于:
  2. 实施于:
  3. 废止

标准详情

  • 中国标准分类号:Y91
    国际标准分类号:85.100
  • 代替标准:QB/T 2282-1996
  • 提出单位:中国轻工业联合会
    主管部门:工业和信息化部

起草单位

山东晨钟机械股份有限公司、齐鲁工业大学、山东博汇纸业股份有限公司、轻工业杭州机电设计研究院有限公司

起草人

庞同国、李小花、李克雷、荆静、许祟海、宋振建、宗慧、荆强、牟相忠、王泽刚、李志永

标准预览(共 11 页)

* 特别声明:资源收集自网络或用户上传,版权归原作者所有,如侵犯您的权益,请联系我们处理。

  • 标准质量:
  • 文档详情:3.04MB 共 11 页 PDF

标准搜索