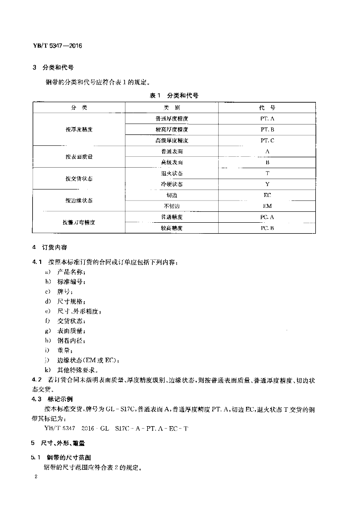
YB/T 5347-2016 工业链条用冷轧钢带

行业标准 推荐性 现行

标准状态

  1. 发布于:
  2. 实施于:
  3. 废止

标准详情

  • 中国标准分类号:H46
    国际标准分类号:77.140.50
  • 代替标准:YB/T 5347-2006
  • 提出单位:
    主管部门:全国钢标准化技术委员会

起草单位

武汉钢铁(集团)公司,冶金工业信息标准研究院

起草人

魏海丽、田德新、张维旭、陈晓红、侯捷、李晓强、曾萍。

标准预览(共 9 页)

* 特别声明:资源收集自网络或用户上传,版权归原作者所有,如侵犯您的权益,请联系我们处理。

  • 标准质量:
  • 文档详情:599.92KB 共 9 页 PDF

标准搜索