NB/T 11011-2022 水工混凝土结构设计规范(附条文说明)(含2024年第1号修改单)

行业标准 推荐性 现行

标准状态

  1. 发布于:
  2. 实施于:
  3. 废止

标准详情

  • 中国标准分类号:P59
    国际标准分类号:27.140
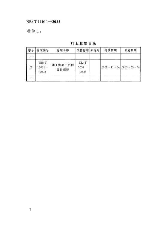
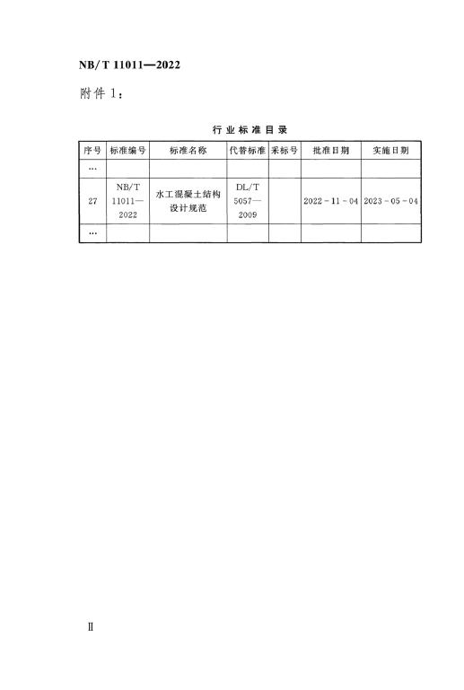
  • 代替标准:DL/T 5057-2009
  • 提出单位:能源行业水电勘测设计标准化技术委员会
    主管部门:能源行业水电勘测设计标准化技术委员会

起草单位

中国电建集团西北勘测设计研究院有限公司、河海大学、郑州大学、武汉大学、大连理工大学、西安建筑科技大学

起草人

周恒、王卫国、魏坚政、汪基伟、李平先、侯建国、吴峻峰、张曼曼、徐丽丽、费秉宏、王立成、石广斌、冷飞、喻君、韩菊红、安旭文、蔡超、朱颖儒、陆希、尹小刚、余培琪、李建波、何亚伯、贡金鑫、张勤、郭进军、曾又林、王丹迪

标准预览(共 461 页)

* 特别声明:资源收集自网络或用户上传,版权归原作者所有,如侵犯您的权益,请联系我们处理。

  • 标准质量:
  • 文档详情:197.3MB 共 461 页 PDF

标准搜索