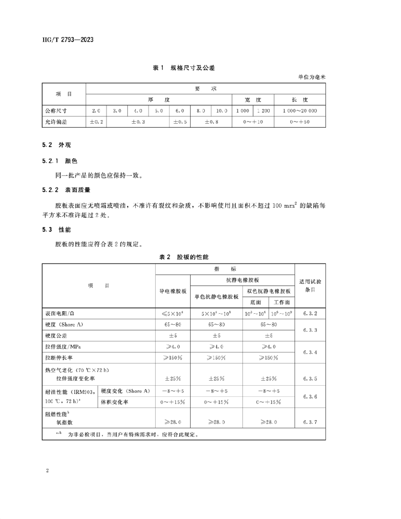
HG/T 2793-2023 工业用导电和抗静电橡胶板

行业标准 推荐性 现行

标准状态

  1. 发布于:
  2. 实施于:
  3. 废止

标准详情

  • 中国标准分类号:G47
    国际标准分类号:83.140.99
  • 代替标准:HG/T 2793-1996
  • 提出单位:中国石油和化学工业联合会
    主管部门:全国橡胶与橡胶制品标准化技术委员会橡胶杂品分技术委员会

起草单位

南京东润特种橡塑有限公司、京东橡胶有限公司、国正检验认证有限公司、天津中橡橡胶有限公司、南京曼可新材料有限公司、广州德润橡胶制品有限公司、江苏科强新材料股份有限公司、浙江天铁实业股份有限公司、衡橡科技股份有限公司

起草人

江文养、赵树强、周立成、王凯峰、孔春果、李建标、沈建东、王敏、周炯

标准预览(共 6 页)

* 特别声明:资源收集自网络或用户上传,版权归原作者所有,如侵犯您的权益,请联系我们处理。

  • 标准质量:
  • 文档详情:1.1MB 共 6 页 PDF

标准搜索