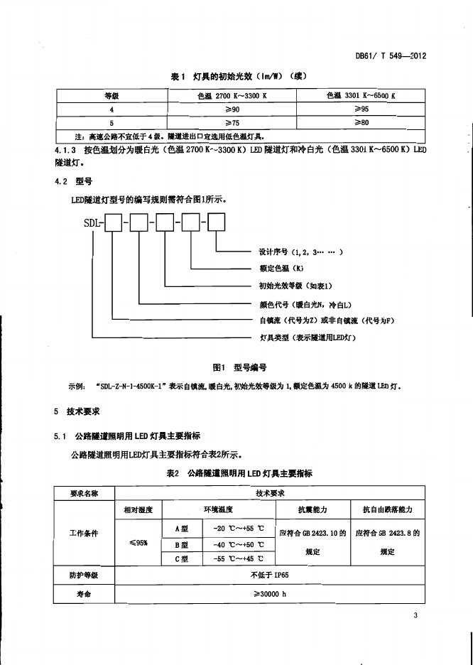
DB61/T 549-2012 公路隧道照明用LED灯具通用技术条件

地方标准 陕西省 推荐性 已废止

标准状态

  1. 发布于:
  2. 实施于:
  3. 废止于:

标准详情

  • 中国标准分类号:K73
    国际标准分类号:29.140
  • 提出单位:
    主管部门:陕西省质量技术监督局

起草单位

陕西烽火佰鸿光电科技有限公司、上海三思电子工程有限公司、陕西流金数码光电科技有限公司、西安立明电子工程技术有限责任公司

起草人

郑晅、孙庆翔、杨晓东、靖勃、肖剑

标准预览(共 9 页)

* 特别声明:资源收集自网络或用户上传,版权归原作者所有,如侵犯您的权益,请联系我们处理。

  • 标准质量:
  • 文档详情:132.4KB 共 9 页 PDF

标准搜索