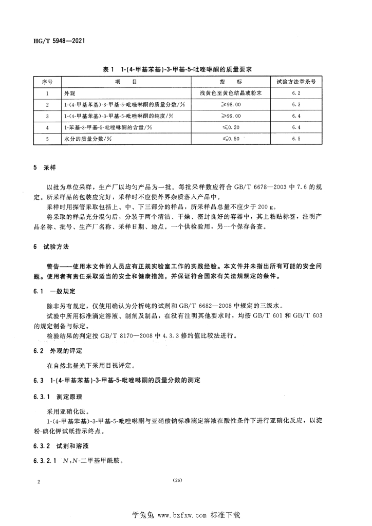
HG/T 5948-2021 1-(4-甲基苯基)-3-甲基-5-吡唑啉酮

行业标准 推荐性 现行

标准状态

  1. 发布于:
  2. 实施于:
  3. 废止

标准详情

  • 中国标准分类号:G56
    国际标准分类号:71.100.01;87.060.10
  • 提出单位:中国石油和化学工业联合会
    主管部门:工业和信息化部

起草单位

青岛海湾精细化工有限公司、江苏德美科化工有限公司、沈阳沈化院测试技术有限公司、厦门市翰均科检测科技有限公司、沈阳化工研究院有限公司、国家染料质量监督检验中心

起草人

宋志新、王斯亮、王明、王海霞、王建国、张美艳、高倩、周帅天、李永革、杨杰民

标准预览(共 9 页)

* 特别声明:资源收集自网络或用户上传,版权归原作者所有,如侵犯您的权益,请联系我们处理。

  • 标准质量:
  • 文档详情:1.94MB 共 9 页 PDF

标准搜索