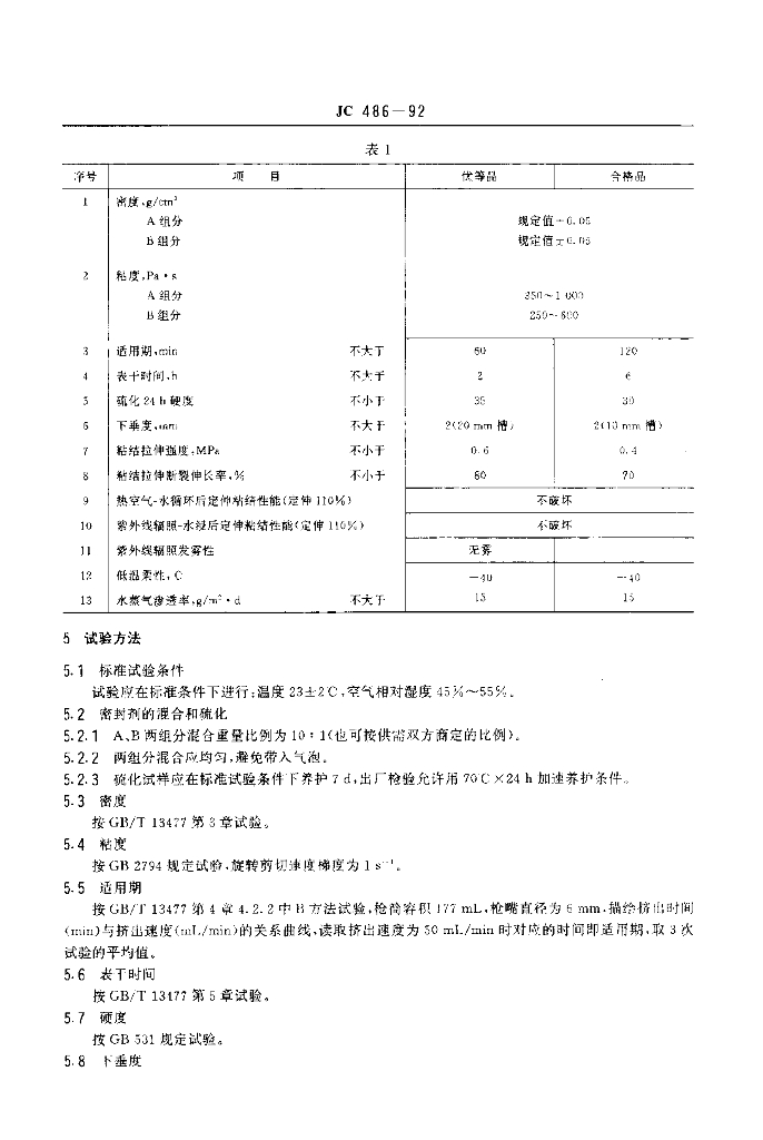
JC 486-1992(1996) 中空玻璃用弹性密封剂
* 特别声明:资源收集自网络或用户上传,版权归原作者所有,如侵犯您的权益,请联系我们处理。
- 标准质量:
- 文档详情:265.84KB 共 6 页 PDF
标准搜索
搜索帮助相关推荐
- 1SY/T 0315-1997 钢质管道熔结环氧粉末外涂层技术标准
- 2SY/T 0448-1997 油田油气处理用钢制压力容器施工及验收规范
- 3SL 354-2006 水质 初级生产力测定-“黑白瓶”测定法
- 4YS/T 1518-2022 氢燃料电池用锆带
- 5DL/T 2246.4-2021 电化学储能电站并网运行与控制技术规范 第4部分:继电保护
- 6QB/T 2564.4-2002 螺钉旋具 一字槽螺钉旋具
- 7JB/T 7378-2010 烧结铁基制品 碳氮共渗层深度的金相法测定
- 8HG/T 6209-2023 液状C.I. 分散红 167:1
- 9CH/T 1020-2010 1:500 1:1 000 1:2 000地形图质量检验技术规程
- 10HG/T 2886-1997 橡胶水坝
- 11JB/T 8607-2011 连续式铸型输送机 技术条件
- 12DG/TJ 08-009-2002 钢筋混凝土异型柱结构技术规程
- 13JB/T 12604-2016 行星滚柱丝杠副
- 14FZ/T 22003-2006 机织雪尼尔本色线
- 15YY/T 0489-2023 一次性使用无菌引流导管及辅助器械




