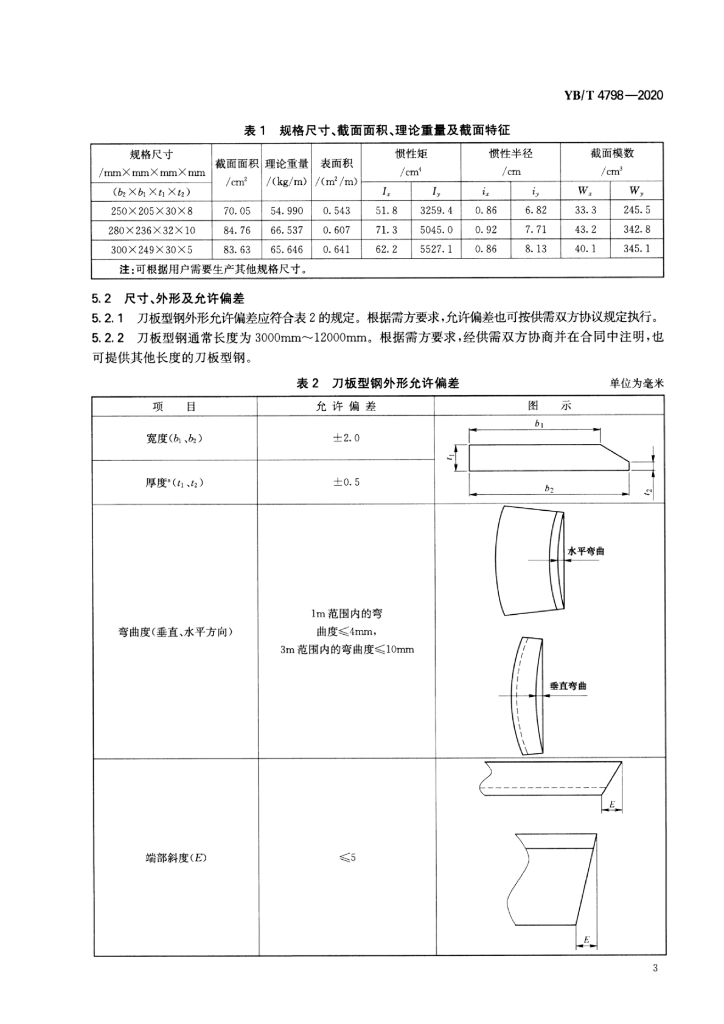
YB/T 4798-2020 工程机械刀板型钢

行业标准 推荐性 现行

标准状态

  1. 发布于:
  2. 实施于:
  3. 废止

标准详情

  • 中国标准分类号:H44
    国际标准分类号:77.140.70
  • 提出单位:
    主管部门:工业和信息化部

起草单位

武汉钢铁有限公司、常熟市龙腾特种钢有限公司、河北津西钢铁集团股份有限公司、冶金工业信息标准研究院

起草人

费俊杰、任安超、徐胜、王玉婕、赵一臣、徐利、王俊、欧阳珉路、刘宝石、李永锋、张政权

标准预览(共 8 页)

* 特别声明:资源收集自网络或用户上传,版权归原作者所有,如侵犯您的权益,请联系我们处理。

  • 标准质量:
  • 文档详情:6.82MB 共 8 页 PDF

标准搜索