T/CIATCM 034.2-2019 中医医院资源管理信息基本数据集 第2部分:财力资源管理

团体标准 强制性 现行

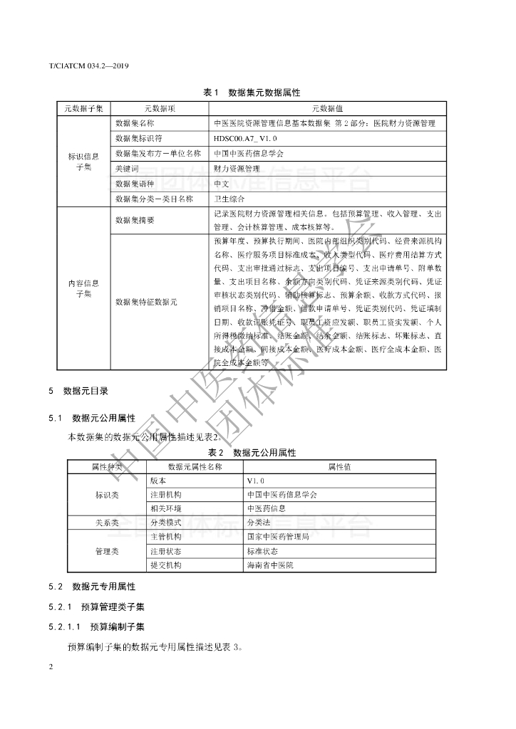
标准状态

  1. 发布于:
  2. 实施于:
  3. 废止

标准详情

  • 中国标准分类号:
    国际标准分类号:35.240.80
  • 团体名称:中国中医药信息学会

起草单位

海南省中医院、重庆金算盘软件有限公司、广东省江门市五邑中医院、河南省洛阳正骨医院、中国中医科学院中医药信息研究所、北京中医药大学东方医院、广东省中医院

起草人

黄辉阳、周伟、刘红根、唐吉禹、赵刘伟、刘冲、全文正、周静、叶青、金琰、赵瑜、李海燕、张小会、杨美明、李魏、蔡亲娜、陈健超、智海燕、黄颖、叶芊芊、傅昊阳、易传亮、林英姿

标准预览(共 44 页)

* 特别声明:资源收集自网络或用户上传,版权归原作者所有,如侵犯您的权益,请联系我们处理。

  • 标准质量:
  • 文档详情:2.14MB 共 44 页 PDF

标准搜索