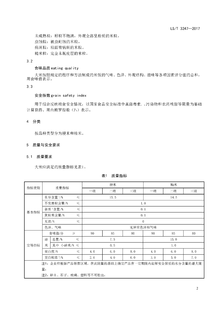
LS/T 3247-2017 中国好粮油 大米

行业标准 推荐性 废止

标准状态

  1. 发布于:
  2. 实施于:
  3. 废止

标准详情

  • 中国标准分类号:B22
    国际标准分类号:67.060
  • 提出单位:
    主管部门:全国粮油标准化技术委员会(SAC/TC 270)

起草单位

国家粮食局科学研究院、中粮集团中粮粮谷、江苏省农垦米业集团有限公司等

起草人

段晓亮、孙辉、马青 等

标准预览(共 16 页)

* 特别声明:资源收集自网络或用户上传,版权归原作者所有,如侵犯您的权益,请联系我们处理。

  • 标准质量:
  • 文档详情:197KB 共 16 页 DOC

标准搜索