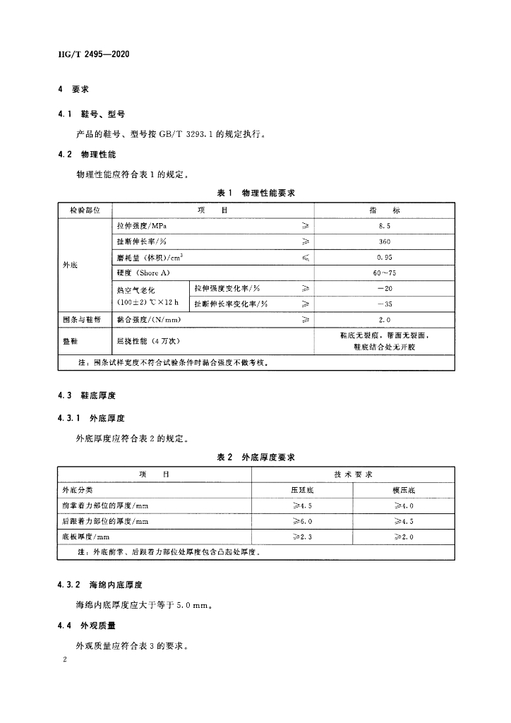
HG/T 2495-2020 劳动鞋

行业标准 推荐性 现行

标准状态

  1. 发布于:
  2. 实施于:
  3. 废止

标准详情

  • 中国标准分类号:Y78
    国际标准分类号:61.060
  • 代替标准:HG/T 2495-2007
  • 提出单位:
    主管部门:工业和信息化部

起草单位

际华三五三七有限责任公司 、泉州鑫泰鞋材有限公司、莆田市恒顺体育用品有限公司等

起草人

陈松雄、方华玉、吴奇宗 等

标准预览(共 11 页)

* 特别声明:资源收集自网络或用户上传,版权归原作者所有,如侵犯您的权益,请联系我们处理。

  • 标准质量:
  • 文档详情:5.99MB 共 11 页 PDF

标准搜索