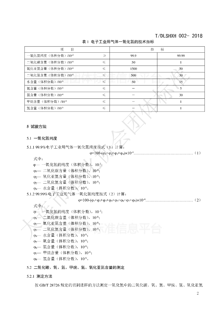
T/DLSHXH 002-2018 电子工业用气体 一氧化氮

团体标准 强制性 现行

标准状态

  1. 发布于:
  2. 实施于:
  3. 废止

标准详情

  • 中国标准分类号:G86
    国际标准分类号:71.100.20
  • 团体名称:大连市石油和化工行业协会

起草单位

大连科利德光电子材料有限公司、大连保税区科利德化工科技开发有限公司、大连石油和化工行业协会、和舰科技(苏州)有限公司、睿力集成电路有限公司、台湾积体电路制造股份有限公司

起草人

施旖旎、焦中鹏、刘颖、韩冬梅、裴凯、张琳、计燕秋

标准预览(共 7 页)

* 特别声明:资源收集自网络或用户上传,版权归原作者所有,如侵犯您的权益,请联系我们处理。

  • 标准质量:
  • 文档详情:515.68KB 共 7 页 PDF

标准搜索