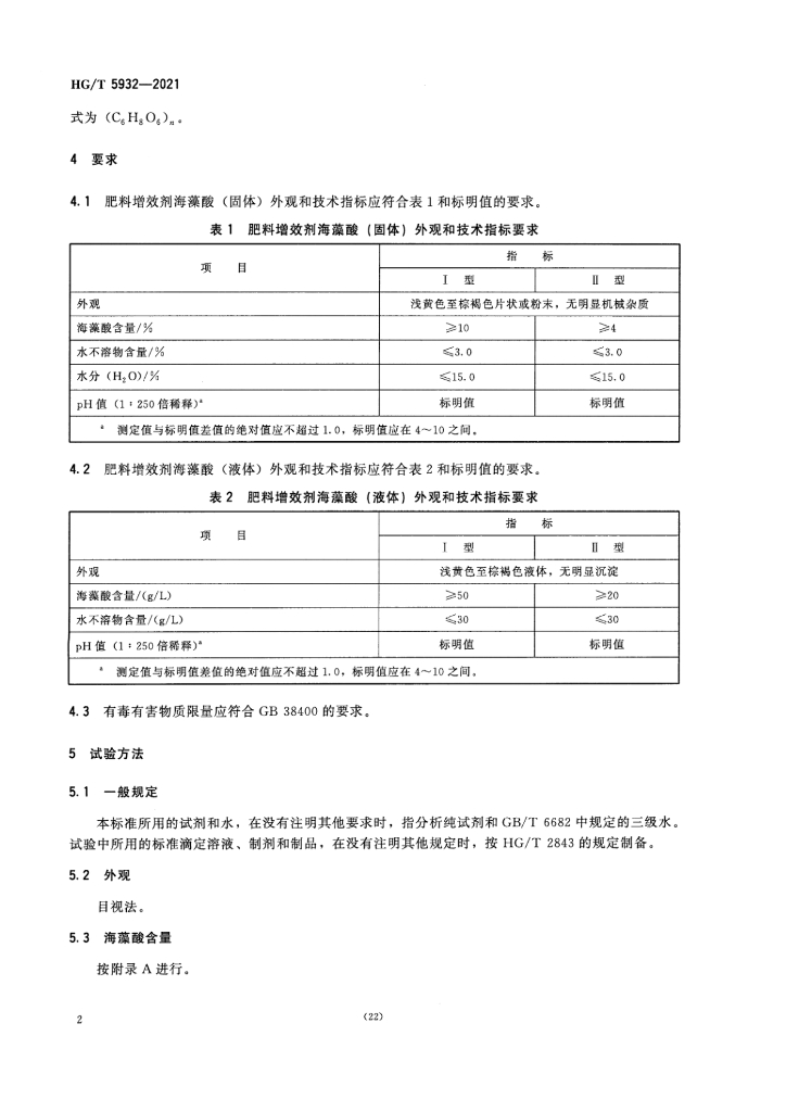
HG/T 5932-2021 肥料增效剂 海藻酸

行业标准 推荐性 现行

标准状态

  1. 发布于:
  2. 实施于:
  3. 废止

标准详情

  • 中国标准分类号:G21
    国际标准分类号:65.080
  • 提出单位:中国石油和化学工业联合会
    主管部门:工业和信息化部

起草单位

上海化工研究院有限公司、中国农业科学院农业资源与农业区划研究所、青岛海力源生物科技有限公司、山东恩宝生物科技有限公司、江西开门子肥业股份有限公司、贵州磷化(集团)有限责任公司、北京新禾丰农化资料有限公司、五洲丰农业科技有限公司、吉林隆源农业服务有限公司、山东省产品质量检验研究院、秦皇岛五弦维爱科技开发有限公司

起草人

袁亮、孙华、赵秉强、张守福、缪晓栋、李伟、杨帆、陈接龙、高仁升、李峰、田树刚、耿勇、季玥秀、杨宏、张娟、田耀雄、杨一

标准预览(共 11 页)

* 特别声明:资源收集自网络或用户上传,版权归原作者所有,如侵犯您的权益,请联系我们处理。

  • 标准质量:
  • 文档详情:2.27MB 共 11 页 PDF

标准搜索